Product Summary

The PIC16F628A-I/P is a flash-based 8-bit CMOS microcontroller with nanowatt technology.

Parametrics

PIC16F628A-I/P absolute maximum ratings: (1)Ambient temperature under bias: -40 to +125℃; (2)Storage temperature: -65 to +150℃; (3)Voltage on VDD with respect to VSS: -0.3 to +6.5V; (4)Voltage on MCLR and RA4 with respect to VSS: -0.3 to +14V; (5)Voltage on all other pins with respect to VSS: -0.3V to VDD + 0.3V; (6)Total power dissipation: 800 mW; (7)Maximum current out of VSS pin: 300 mA; (8)Maximum current into VDD pin: 250 mA; (9)Input clamp current, IIK (VI < 0 or VI > VDD): ± 20 mA; (10)Output clamp current, IOK (Vo < 0 or Vo >VDD): ± 20 mA; (11)Maximum output current sunk by any I/O pin: 25 mA; (12)Maximum output current sourced by any I/O pin: 25 mA; (13)Maximum current sunk by PORTA and PORTB (Combined): 200 mA; (14)Maximum current sourced by PORTA and PORTB (Combined): 200 mA.

Features

PIC16F628A-I/P features: (1)Operating speeds from DC – 20 MHz; (2)Interrupt capability; (3)8-level deep hardware stack; (4)Direct, Indirect and Relative Addressing modes; (5)35 single-word instructions: All instructions single cycle except branches; (6)Power-saving Sleep mode; (7)Programmable weak pull-ups on PORTB; (8)Multiplexed Master Clear/Input-pin; (9)Watchdog Timer with independent oscillator for reliable operation; (10)Low-voltage programming; (11)In-Circuit Serial Programming? (via two pins); (12)Programmable code protection; (13)Brown-out Reset; (14)Power-on Reset; (15)Power-up Timer and Oscillator Start-up Timer ; (16)Wide operating voltage range (2.0-5.5V); (17)Industrial and extended temperature range.

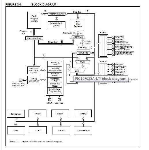
Diagrams

 PIC16F628A-I/P pin connection

Image Part No Mfg Description Data Sheet Download Pricing
(USD)
Quantity
PIC16F628A-I/P
PIC16F628A-I/P

Microchip Technology

8-bit Microcontrollers (MCU) 3.5KB 224 RAM 16 I/O

Data Sheet

0-1: $1.30
1-10: $1.04
10-25: $1.00
25-100: $0.97
PIC16F628A-I/PC06
PIC16F628A-I/PC06

Other


Data Sheet

Negotiable