Product Summary
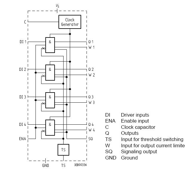
The FZL4145D is a Quad Driver Incl. Short-Circuit Signaling. The IC comprises four driver circuits capable of driving power transistors for high output currents. The output transistors are protected against short-circuit to ground and supply voltage. The input threshold can be adjusted between 1.5V and 7V. Overload or short-circuit failure at an output will be indicated at pin SQ (signaling output).
Parametrics
FZL4145D absolute maximum ratings: (1)Supply voltage: -0.3V to 35V; (2)Input voltage at Dl and ENA: -0.3V to 35V; (3)Voltage at TS and SQ: -0.3V to 45V; (4)Output voltage VQ and voltage at C: -0.3V to VS V; (5)Voltage at W: VS -5 to VS V; (6)Input current at DI and ENA: -3 to 1mA; (7)Output current at SQ: 8mA; (8)Power dissipation of all input diodes: 50mW; (9)Storage temperature Thermal resistance: -65 to 125℃.
Features
FZL4145D features: (1) Short-circuit shutdown with clock generator; (2) Four driver circuits for controlling power transistors; (3) Overload and short-circuit signaling.
Diagrams

| Image | Part No | Mfg | Description | ![]() |
Pricing (USD) |
Quantity | ||||||||||
|---|---|---|---|---|---|---|---|---|---|---|---|---|---|---|---|---|
![]() |
![]() FZL4145D |
![]() Other |
![]() |
![]() Data Sheet |
![]() Negotiable |
|
||||||||||
| Image | Part No | Mfg | Description | ![]() |
Pricing (USD) |
Quantity | ||||||||||
![]() |
![]() FZL4145D |
![]() Other |
![]() |
![]() Data Sheet |
![]() Negotiable |
|
||||||||||
![]() |
![]() FZL4146 |
![]() Other |
![]() |
![]() Data Sheet |
![]() Negotiable |
|
||||||||||
![]() |
![]() FZL4146G GEG |
![]() Infineon Technologies |
![]() Power Driver ICs INDUSTRIAL IC'S |
![]() Data Sheet |
![]() Negotiable |
|
||||||||||
![]() |
![]() FZL4146GGEGXT |
![]() Infineon Technologies |
![]() Power Driver ICs Quad Driver |
![]() Data Sheet |
![]()
|
|
||||||||||
(China (Mainland))










