Product Summary
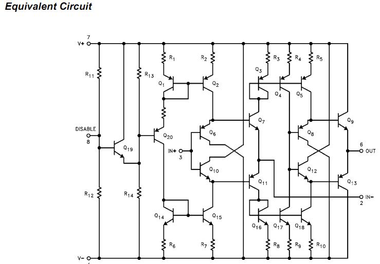
The EL2171CN is a 150MHz Current Feedback Amplifier. The EL2171CN has a disable/enable feature which allows power down and analog multiplexing. The amplifier uses current-mode feedback to achieve more bandwidth at a given gain than conventional operational amplifiers. Designed for closed-loop gains of ±7 to ±50, the EL2171CN has a 150MHz - 3dB bandwidth (AV = +20), and 2.5ns rise/fall time, while consuming only 15mA of supply current. The applications of the EL2171CN include Line drivers, DC-coupled log amplifiers, High-speed modems, radios, High-speed A/D conversion, D/A I-V conversion, Photodiode, CCD preamps, IF processors and High-speed communications.
Parametrics
EL2171CN absolute maximum ratings: (1)Supply Voltage (VS): ±7V; (2)Common Mode Input Voltage: ±VS; (3)Differential Input Voltage: 5V; (4)Operating Temperature: -40 to +85℃; (5)Operating Junction Temperature: 175℃; (6)Storage Temperature: -60 to +150℃.
Features
EL2171CN features: (1)150MHz - 3dB bandwidth, AV = 20; (2)10ns settling to 0.1%; (3)VS = ±5V @ 15mA; (4)2.5ns rise/fall times (2V step); (5)Overload/short-circuit protected; (6)±7 to ±50 closed-loop gain range; (7)Low cost; (8)EL2171 is direct replacement for CLC401; (9)Disable capability on EL2071.
Diagrams

![]() |
![]() EL211 |
![]() Everlight |
![]() Transistor Output Optocouplers Optocouplers |
![]() Data Sheet |
![]()
|
|
||||||||||||
![]() |
![]() EL211(TA) |
![]() Everlight |
![]() Transistor Output Optocouplers Optocouplers |
![]() Data Sheet |
![]()
|
|
||||||||||||
![]() |
![]() EL211(TA)-V |
![]() Everlight |
![]() Transistor Output Optocouplers Optocouplers |
![]() Data Sheet |
![]()
|
|
||||||||||||
![]() |
![]() EL211(TB) |
![]() Everlight |
![]() Transistor Output Optocouplers Optocouplers |
![]() Data Sheet |
![]()
|
|
||||||||||||
![]() |
![]() EL211(TB)-V |
![]() Everlight |
![]() Transistor Output Optocouplers Optocouplers |
![]() Data Sheet |
![]()
|
|
||||||||||||
![]() |
![]() EL2110 |
![]() Other |
![]() |
![]() Data Sheet |
![]() Negotiable |
|
||||||||||||
(China (Mainland))









