Product Summary
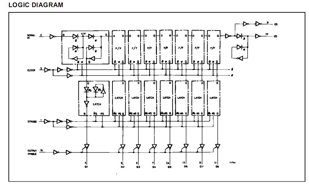
The M74HC4094B1 is a high speed CMOS 8 bit siposhift latch register fabricated with silicon gate C2MOS technology. It has the same high speed performance of LSTTL combined with true CMOS low power consumption. This device M74HC4094B1 consists of an 8-bit shift register and an 8-bit latch with 3-state output buffer. Data is shifted serially through the shift register on the positive going transition of the clock input signal. The output of the last stage (Qs) can be used to cascade several devices.
Parametrics
M74HC4094B1 absolute maximum ratings: (1)VCC, Supply Voltage: -0.5 to +7 V; (2)VI, DC Input Voltage: -0.5 to VCC + 0.5 V; (3)VO, DC Output Voltage: -0.5 to VCC + 0.5 V; (4)IIK, DC Input Diode Current: ± 20 mA; (5)IOK, DC Output Diode Current: ± 20 mA; (6)IO, DC Output Source Sink Current Per Output Pin: ± 25 mA; (7)ICC or IGND, DC VCC or Ground Current: ± 50 mA; (8)PD, Power Dissipation: 500 mW; (9)Tstg, Storage Temperature: -65 to +150℃; (10)TL, Lead Temperature (10 sec): 300℃.
Features
M74HC4094B1 features: (1)high speed: fMAX = 73 MHz (TYP.) at VCC =5V; (2)lowpower dissipation: ICC =4 μA (MAX.) at TA =25℃; (3)high noise immunity: VNIH =VNIL =28%VCC (MIN.); (4)output drive capability: 10 LSTTL LOADS; (5)symmetrical output impedance: |IOH|=IOL = 4 mA (MIN.); (6)balancedpropagation delays: tPLH =tPHL; (7)wide operating voltage range: VCC (OPR) = 2 V TO 6 V; (8)pin and function compatible with 4094B.
Diagrams

| Image | Part No | Mfg | Description | ![]() |
Pricing (USD) |
Quantity | ||||||||||||||||
|---|---|---|---|---|---|---|---|---|---|---|---|---|---|---|---|---|---|---|---|---|---|---|
![]() |
![]() M74HC4094B1R |
![]() STMicroelectronics |
![]() Counter Shift Registers 8-Bit SIPO Shift Reg |
![]() Data Sheet |
![]()
|
|
||||||||||||||||
| Image | Part No | Mfg | Description | ![]() |
Pricing (USD) |
Quantity | ||||||||||||||||
![]() |
![]() M74HC00 |
![]() Other |
![]() |
![]() Data Sheet |
![]() Negotiable |
|
||||||||||||||||
![]() |
![]() M74HC00B1R |
![]() STMicroelectronics |
![]() Gates (AND / NAND / OR / NOR) Quad 2-Input NAND |
![]() Data Sheet |
![]()
|
|
||||||||||||||||
![]() |
![]() M74HC00M1R |
![]() |
![]() IC GATE NAND QUAD 2INPUT 14-SOIC |
![]() Data Sheet |
![]()
|
|
||||||||||||||||
![]() |
![]() M74HC00RM13TR |
![]() STMicroelectronics |
![]() Gates (AND / NAND / OR / NOR) Quad 2-Input NAND |
![]() Data Sheet |
![]()
|
|
||||||||||||||||
![]() |
![]() M74HC00TTR |
![]() |
![]() IC GATE NAND QUAD 2INPUT 14TSSOP |
![]() Data Sheet |
![]()
|
|
||||||||||||||||
![]() |
![]() M74HC02 |
![]() Other |
![]() |
![]() Data Sheet |
![]() Negotiable |
|
||||||||||||||||
(China (Mainland))












