Product Summary
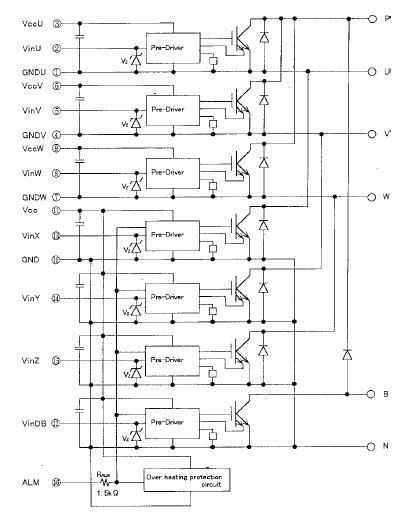
The 7MBP150RA120 is an IGBT-IPM.
Parametrics
7MBP150RA120 absolute maximum ratings: (1)DC bus voltage, VDC: 900V; (2)DC bus voltage (surge), VDC(surge): 1000V; (3)DC bus voltage (short operating), VSC: 200 to 800V; (4)Collector-Emitter voltage, VCES: 1200V; (5)DB Reverse voltage, VR: 1200V; (6)Junction temperature: 150℃; (7)Input voltage of power supply for Pre-Driver: 20V; (8)Input signal voltage: 0V; (9)Input signal current: 1mA; (10)Alarm signal voltage: 0V; (11)Storage temperature: -40 to 125℃; (12)Operating case temperature: -20 to 100℃; (13)Isolating voltage (Case-Terminal): AC2.5 kV.
Features
7MBP150RA120 features: (1)Temperature protection provided by directly detecting the junction temperature of the IGBTs; (2)Low power loss and soft switching; (3)High performance and high reliability IGBT with overheating protection; (4)Higher reliability because of a big decrease in number of parts in built-in control circuit.
Diagrams

![]() |
![]() 7MBP100RA060 |
![]() Other |
![]() |
![]() Data Sheet |
![]() Negotiable |
|
||||
![]() |
![]() 7MBP100RTB060 |
![]() Other |
![]() |
![]() Data Sheet |
![]() Negotiable |
|
||||
![]() |
![]() 7MBP100TEA060 |
![]() Other |
![]() |
![]() Data Sheet |
![]() Negotiable |
|
||||
![]() |
![]() 7MBP150RA060 |
![]() Other |
![]() |
![]() Data Sheet |
![]() Negotiable |
|
||||
![]() |
![]() 7MBP150RTB060 |
![]() Other |
![]() |
![]() Data Sheet |
![]() Negotiable |
|
||||
![]() |
![]() 7MBP25RA120 |
![]() Other |
![]() |
![]() Data Sheet |
![]() Negotiable |
|
||||
(China (Mainland))








