Product Summary
The K3878 is a Silicon N-Channel MOS Type.
Parametrics
K3878 absolute maximum ratings: (1)Drain-source voltage : 900 V; (2)Drain-gate voltage (RGS = 20 kΩ) : 900 V; (3)Gate-source voltage : ±30 V; (4)Drain current: 9A; (5)Drain power dissipation (Tc = 25℃) : 150 W; (6)Single pulse avalanche energy: 778 mJ; (7)Avalanche current : 9 A; (8)Repetitive avalanche energy (Note 3) : 15 mJ; (9)Channel temperature : 150 ℃; (10)Storage temperature range : -55 to 150 ℃.
Features
K3878 features: (1)Low drain-source ON-resistance: RDS (ON) = 1.0 Ω(typ.); (2)Low leakage current: IDSS = 100 μA (max) (VDS = 720 V); (3) Enhancement model: Vth = 2.0 to 4.0 V (VDS = 10 V, ID = 1 mA).
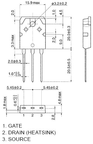
Diagrams

(China (Mainland))






