Product Summary
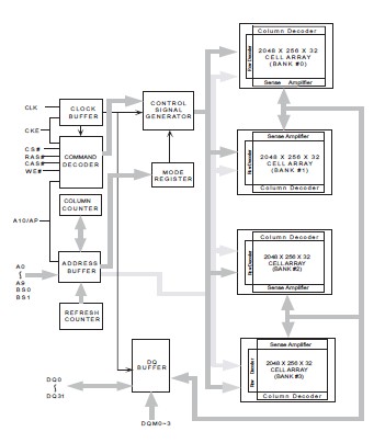
The IC42S32200-7TG is a synchronous dynamic RAM. It is configured as a quad 512K x 32 DRAM with a synchronous interface (all signals are registered on the positive edge of the clock signal,CLK). The IC42S32200-7TG provides for programmable Read or Write burst lengths of 1,2,4,8,or full page, with a burst termination operation. The IC42S32200-7TG is well suited for applications requiring high memory bandwidth.
Parametrics
IC42S32200-7TG absolute maximum ratings: (1)VIN,VOUT Input,Output Voltage: -0.3 to VDD +0.3 V; (2)VDD,VDDQ Power Supply: -0.3 to 4.6 V; (3)TOPR Operating Temperature: 0 to 70 ℃; (4)TSTG Storage Temperature: -55 to 150 ℃; (5)TSOLDER Soldering Temperature (10s): 260 ℃; (6)PD Power Dissipation: 1 W; (7)IOUT Short Circuit Output Current: 50 mA.
Features
IC42S32200-7TG features: (1)Concurrent auto precharge; (2)Clock rate:166/143/125 MHz; (3)Fully synchronous operation; (4)Internal pipelined architecture; (5)Four internal banks (512K × 32bit × 4bank); (6)Programmable Mode; (7)Burst stop function; (8)Individual byte controlled by DQM0-3; (9)Auto Refresh and Self Refresh; (10)4096 refresh cycles/64ms; (11)Single +3.3V ±0.3V power supply; (12)Interface: LVTTL; (13)Pb-free package is available.
Diagrams

(China (Mainland))






