Product Summary
The CM10LD-12H is a Molded Mini DYAD dry reed switch. The CM10LD-12H ideally suited for small switching signal applications. The CM10LD-12H has sputtered tuthenium contacts and an extraordinary seal strength, achieved by a patented laser sealing of the glass. In a low level or dry switching environments, both switches typically provide >1 billion operations. The CM10LD-12H have hermetically sealed contacts and offer a wide range of available magnetic sensitivity. In addition, the molding process provides a solid plastic outer shell. This plastic shell provides superior mechanical strength, eliminates concerns over handling glass switches, and provides an ideal solution for high speed, automated assembly environments. Applications are (1)Security: Proximity sensing; Smoke alarms; (2)Automotive: Level sensor; Lamp current sensor; (3)Relays.
Parametrics
CM10LD-12H absolute maximum ratings: (1)Switching voltage: 200 Volts; (2)Switching current: 0.5 Amps; (3)Carry current: 2 Amps; (4)Switching frequency: 500 Hz; (5)Contact resistance: 0 to 100 mΩ.
Features
CM10LD-12H features: (1)Small size; (2)SMT-compatible; (3)Easily formed leads; (4)Sputtered ruthenium contacts; (5)Hermetically sealed contacts; (6)Fast switching speed — up to 500Hz; (7)Wide range of available magnetic sensitivities; (8)Superior mechanical strength; (9)Enhanced for better auto placement.
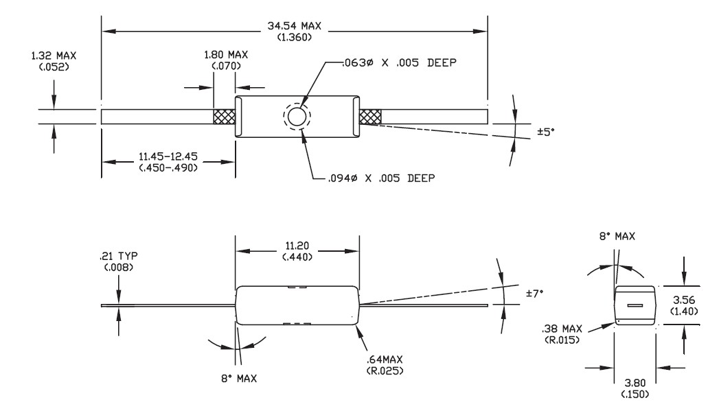
Diagrams

(China (Mainland))






