Product Summary
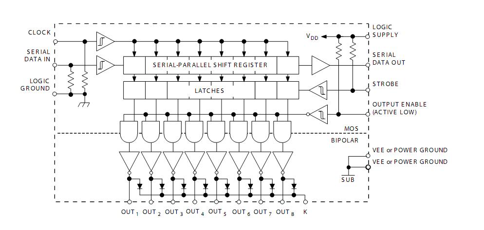
The a6841sa-t is a DABiC-5 8-bit serial input latched sink driver. All package variations of the a6841sa-t offer premium performance with a minimum output-breakdown voltage rating of 50 V (35 V sustaining) . Applications of the a6841sa-t include: Relays, Solenoids and Inductive loads.
Parametrics
a6841sa-t absolute maximum ratings: (1) Output Voltage VCE: 50V, VCE (SUS) (for inductiove load applications) : 35V; (3) Logic Supply Voltage, VDD: 7V; (4) Emitter Supply Voltage, VEE: -20V; (5) Input Voltage Range, VIN: -0.3 to VDD +0.3V; (6) Continuous Output Current (each output), IOUT: 500mA; (7) Operating Temperature Range, Ambient Temperature, TA: -20 to +85°C; Storage Temperature, Ts: -55 to +150°C.
Features
a6841sa-t features: (1) 3.3V to 5V logic supply range; (2) Power on reset (POR) ; (3) To 10 MHz data input rate; (4) To 10 MHz data input rate; (5) -40°C operation available; (6) Low-power CMOS logic and latches; (7) Schmitt trigger inputs for improved noise immunity; (8) High-voltage current-sink outputs; (9) Internal pull-up/pull down resistors; (10) Output transient-protection diodes; (11) Single or split supply operation.
Diagrams
h
| Image | Part No | Mfg | Description | ![]() |
Pricing (USD) |
Quantity | ||||||
|---|---|---|---|---|---|---|---|---|---|---|---|---|
![]() |
![]() A6841SA-T |
![]() |
![]() IC SINK DRIVER 8BIT LATCH 18DIP |
![]() Data Sheet |
![]() Negotiable |
|
||||||
| Image | Part No | Mfg | Description | ![]() |
Pricing (USD) |
Quantity | ||||||
![]() |
![]() A6841 |
![]() Other |
![]() |
![]() Data Sheet |
![]() Negotiable |
|
||||||
![]() |
![]() A6841EA-T |
![]() |
![]() IC SINK DRIVER 8BIT LATCH 18-DIP |
![]() Data Sheet |
![]() Negotiable |
|
||||||
![]() |
![]() A6841ELW-20-T |
![]() |
![]() IC SINK DRIVER 8BIT LATCH 20SOIC |
![]() Data Sheet |
![]()
|
|
||||||
![]() |
![]() A6841ELW-T |
![]() |
![]() IC SINK DRIVER 8BIT LATCH 18SOIC |
![]() Data Sheet |
![]() Negotiable |
|
||||||
![]() |
![]() A6841ELWTR-20-T |
![]() |
![]() IC SINK DRIVER 8BIT LATCH 20SOIC |
![]() Data Sheet |
![]() Negotiable |
|
||||||
![]() |
![]() A6841ELWTR-T |
![]() |
![]() IC SINK DRIVER 8BIT LATCH 18SOIC |
![]() Data Sheet |
![]() Negotiable |
|
||||||
(China (Mainland))












