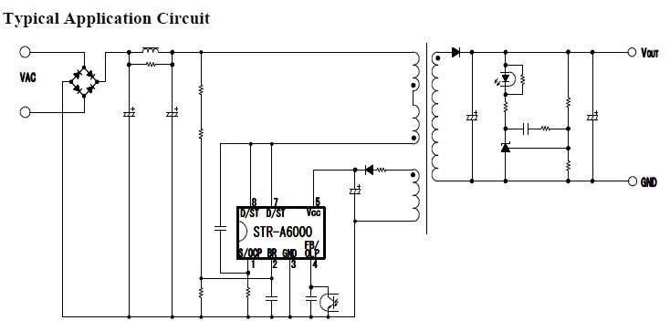
Product Summary
The A6052M is a power IC for switching power supplies, incorporating a power MOSFET and a current-mode type PWM controller IC. The low standby power is accomplished by the automatic switching between the PWM operation in normal operation and the burst-oscillation under light load conditions. The A6052M achieves high cost-performance power supply systems with few external components.
Parametrics
A6052M absolute maximum ratings: (1)Product No: STR-A6059H; (2)fosc (kHz): 100; (3)MOSFET VDSS MIN (V): 650; (4)RDS(ON) MAX (Ω): 6.0; (5)POUT 230VAC/Universal: 10W / 8W.
Features
A6052M features:(1)Current-Mode Type PWM Control; (2)Built-in Random Switching Function; (3)Auto-Standby Function: The burst-oscillation enables the low standby power. Input Power PIN < 25mW at no load; (4)Built-in Startup Circuit, enabling low power consumption; (5)Brown-In / Brown-Out Function; (6)Overcurrent Protection (OCP) with Built-in Input Compensation Circuit; (7)Overload Protection (OLP) with Built-in Delay Timer; (8)High Speed Latch Release Function; (9)Bias-Assist Function, reducing Operating VCC voltage drop; (10)Leading Edge Blanking Function; (11)Slope Compensation Function; (12)Built-in Avalanche Energy Guaranteed High-Voltage Power MOSFET; (13)Various Protections.
Diagrams

(China (Mainland))






