Product Summary
The 6MBI25S-120-50 is an IGBT module. Applications are(1)Inverter for motor drive; (2)AC and DC servo drive amplifier; (3)Uninterruptible power supply; (4)Industrial machines, such as welding machines.
Parametrics
6MBI25S-120-50 absolute maximum ratings: (1)Collector-emitter voltage VCES: 1200 V; (2)Gate-emitter voltage VGES: ±20 V; (3)Collector continuous current Tc=25°C IC: 35 A; Tc=80°C IC: 25 A; 1ms Tc=25°C IC pulse: 70 A; Tc=80°C IC pulse: 50 A; -IC: 25 A; 1ms -IC pulse: 50 A; (4)Max. power dissipation (1 device)PC: 180 W; (5)Operating temperature Tj: +150 °C; (6)Storage temperature Tstg: -40 to +125 °C; (7)Isolation voltage Vis: AC 2500 (1min.)V; (8)Screw torque Mounting: 3.5 N·m.
Features
6MBI25S-120-50 features: (1)Compact package; (2)P.C.board mount; (3)Low VCE(sat).
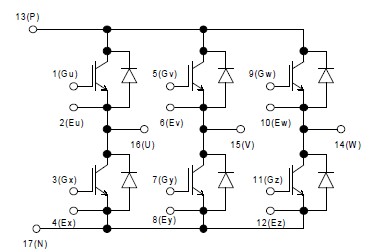
Diagrams

(China (Mainland))






