Product Summary
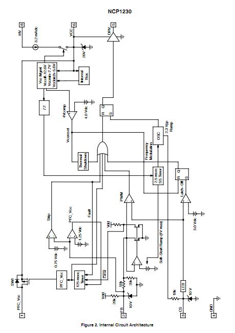
The 30D16 is a Low-Standby Power High Performance PWM Controller. The 30D16 represents a major leap towards achieving low standby power in medium-to-high power Switched-Mode Power Supplies such as notebook adapters, off-line battery chargers and consumer electronics equipment. Housed in a compact 8 pin package, the 30D16 contains all needed control functionality to build a rugged and efficient power supply. The 30D16 is a current mode controller with internal ramp compensation. Among the unique features offered by the 30D16 is an event management scheme that can disable the front-end PFC circuit during standby, thus reducing the no load power consumption. The 30D16 itself goes into cycle skipping at light loads while limiting peak current (to 25% of nominal peak) so that no acoustic noise is generated. The 30D16 has a high-voltage startup circuit that eliminates external components and reduces power consumption.
Parametrics
30D16 absolute maximum ratings: (1)Maximum Voltage on Pin 8, VDS: -0.3 to 500V; (2)Maximum Current, IC2: 100 mA; (3)Power Supply Voltage, Pin 6, VCC: -0.3 to 18V; Current. ICC2: 100mA; (4)Drive Output Voltage, Pin 5,VDV: 18V; Drive Current, Io: 1.0A; (5)Voltage Current Sense Pin, Pin 3, Vcs: 10V; Current, Ics: 100 mA; (6)Voltage Feedback, Pin 2, Vfb: 10V; Current, Ifb: 100 mA; (7)Voltage, Pin 1, VPFC: 18V; Maximum Continuous Current Flowing from Pin 1, IPFC: 35 mA; (8)Thermal Resistance, Junction-to-Air, PDIP Version RθJA: 100℃/W; (9)Thermal Resistance, Junction-to-Air, SOIC Version RθJA: 178℃/W; (10)Maximum Power Dissipation @ TA = 25℃, Pmax: 1.25W; (11)Maximum Junction Temperature, TJ: 150℃; (12)Storage Temperature Range, Tstg: -60 to +150℃.
Features
30D16 features: (1)Current-Mode Operation with Internal Ramp Compensation; (2)Internal High-Voltage Startup Current Source for Loss-Less Startup; (3)Extremely Low No-Load Standby Power; (4)Skip-Cycle Capability at Low Peak Currents; (5)Direct Connection to PFC Controller for Improved No-Load Standby Power; (6)Internal 2.5 ms Soft-Start; (7)Internal Leading Edge Blanking; (8)Latched Primary Overcurrent and Overvoltage Protection; (9)Short-Circuit Protection Independent of Auxiliary Level; (10)Internal Frequency Jittering for Improved EMI Signature; (11)+500 mA/-800 mA Peak Current Drive Capability; (12)Available in Three Frequency Options: 65 kHz, 100 kHz, and 133 kHz; (13)Direct Optocoupler Connection; (14)SPICE Models Available for TRANsient and AC Analysis; (15)Pb-Free Packages are Available.
Diagrams

| Image | Part No | Mfg | Description | ![]() |
Pricing (USD) |
Quantity | ||||||||||||
|---|---|---|---|---|---|---|---|---|---|---|---|---|---|---|---|---|---|---|
![]() |
![]() 30D16FB |
![]() Altech |
![]() Fuses Fuse,Diazed,fast blow,ND(E16),30A,500V |
![]() Data Sheet |
![]() Negotiable |
|
||||||||||||
![]() |
![]() 30D16SC |
![]() Altech |
![]() Fuses Diazed 30A 50x12.5mm Superfast Blow |
![]() Data Sheet |
![]()
|
|
||||||||||||
![]() |
![]() 30D16SB |
![]() Altech |
![]() Fuses Fuse,Diazed,slow blow,ND(E16),30A,500V,gL |
![]() Data Sheet |
![]() Negotiable |
|
||||||||||||
(China (Mainland))









