Product Summary
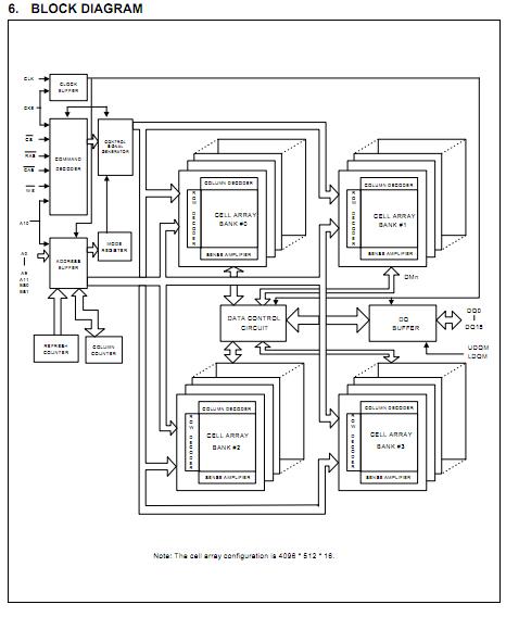
The W9812G6IH-6 is a high-speed synchronous dynamic random access memory (SDRAM), organized as 2M words × 4 banks × 16 bits. The W9812G6JH delivers a data bandwidth of up to 200M words per second. For different application, W9812G6IH-6 is sorted into the following speed grades: -5/-6/-6I/-6A and -75.
Parametrics
W9812G6IH-6 absolute maximum ratings: (1)Input, Output Voltage, VIN, VOUT: -0.5 ~ VDD + 0.5V (≤ 4.6V max.) V; (2)Power Supply Voltage, VDD, VDDQ: -0.5 ~ 4.6 V; (3)Operating Temperature for -5/-6/-75, TOPR: 0 ~ 70℃; (4)Operating Temperature for -6I/-6A, TOPR: -40 ~ 85℃; (5)Storage Temperature, TSTG: -55 ~ 150℃; (6)Soldering Temperature (10s), TSOLDER: 260℃; (7)Power Dissipation, PD: 1 W; (8)Short Circuit Output Current, IOUT: 50 mA.
Features
W9812G6IH-6 features: (1)3.3V ± 0.3V Power Supply; (2)Up to 200 MHz Clock Frequency; (3)2,097,152 Words × 4 banks × 16 bits organization; (4)Self Refresh Mode; (5)CAS Latency: 2 and 3; (6)Burst Length: 1, 2, 4, 8 and full page; (7)Burst Read, Single Writes Mode; (8)Byte Data Controlled by LDQM, UDQM; (9)Auto-precharge and Controlled Precharge; (10)4K Refresh cycles / 64 mS; (11)Interface: LVTTL; (12)Packaged in TSOP II 54-pin, 400 mil using Lead free materials with RoHS compliant.
Diagrams

| Image | Part No | Mfg | Description | ![]() |
Pricing (USD) |
Quantity | ||||||||||||||||||||||
|---|---|---|---|---|---|---|---|---|---|---|---|---|---|---|---|---|---|---|---|---|---|---|---|---|---|---|---|---|
![]() |
![]() W9812G6IH-6 |
![]() |
![]() IC SDRAM 128MB 166MHZ 54-TSOPII |
![]() Data Sheet |
![]() Negotiable |
|
||||||||||||||||||||||
| Image | Part No | Mfg | Description | ![]() |
Pricing (USD) |
Quantity | ||||||||||||||||||||||
![]() |
![]() W981208AH |
![]() Other |
![]() |
![]() Data Sheet |
![]() Negotiable |
|
||||||||||||||||||||||
![]() |
![]() W981208BH |
![]() Other |
![]() |
![]() Data Sheet |
![]() Negotiable |
|
||||||||||||||||||||||
![]() |
![]() W981216AH |
![]() Other |
![]() |
![]() Data Sheet |
![]() Negotiable |
|
||||||||||||||||||||||
![]() |
![]() W981216BH |
![]() Other |
![]() |
![]() Data Sheet |
![]() Negotiable |
|
||||||||||||||||||||||
![]() |
![]() W9812G6IH-6 |
![]() |
![]() IC SDRAM 128MB 166MHZ 54-TSOPII |
![]() Data Sheet |
![]() Negotiable |
|
||||||||||||||||||||||
![]() |
![]() W9812G6JH-6I |
![]() |
![]() IC SDRAM 128MBIT 54TSOPII |
![]() Data Sheet |
![]()
|
|
||||||||||||||||||||||
(China (Mainland))










