Product Summary
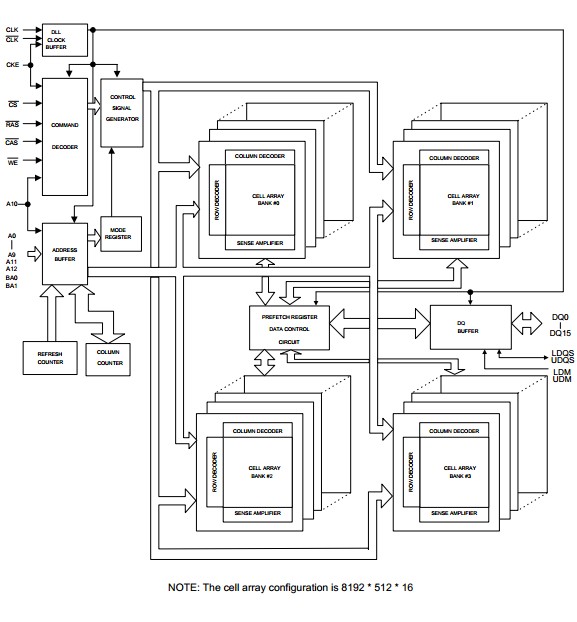
The W9425G6EH-5 is a CMOS Double Data Rate synchronous dynamic random access memory (DDR SDRAM), organized as 4,194,304 words × 4 banks × 16 bits. The W9425G6EH-5 delivers a data bandwidth of up to 500M words per second (-4). To fully comply with the personal computer industrial standard, the W9425G6EH-5 is sorted into the following speed grades: -4, -5, -5I, -6 and -6I. The -4 is compliant to the DDR500/CL3 and CL4 specification.
Parametrics
W9425G6EH-5 absolute maximum ratings: (1)Voltage on any pin relative to VSS, VIN, VOUT: -0.3 ~ VDDQ + 0.3 V; (2)Voltage on VDD/VDDQ supply relative to VSS, VDD, VDDQ: -0.3 ~ 3.6 V; (3)Operating Temperature (-4/-5), TOPR: 0 ~ 70℃; (4)Operating Temperature (-5I/-6I), TOPR: -40 ~ 85℃; (5)Storage Temperature, TSTG: -55 ~ 150℃; (6)Soldering Temperature (10s), TSOLDER: 260℃; (7)Power Dissipation, PD: 1 W; (8)Short Circuit Output Current, IOUT: 50 mA.
Features
W9425G6EH-5 features: (1)2.5V ±0.2V Power Supply for DDR333/400; (2)2.6V ±0.1V Power Supply for DDR500; (3)Up to 250 MHz Clock Frequency; (4)Double Data Rate architecture; two data transfers per clock cycle; (5)Differential clock inputs (CLK and CLK ); (6)DQS is edge-aligned with data for Read; center-aligned with data for Write; (7)CAS Latency: 2, 2.5, 3 and 4; (8)Burst Length: 2, 4 and 8; (9)Auto Refresh and Self Refresh; (10)Precharged Power Down and Active Power Down; (11)Write Data Mask; (12)Write Latency = 1; (13)7.8µS refresh interval (8K/64 mS refresh); (14)Maximum burst refresh cycle: 8; (15)Interface: SSTL_2; (16)Packaged in TSOP II 66-pin, using Lead free materials with RoHS compliant .
Diagrams

| Image | Part No | Mfg | Description | ![]() |
Pricing (USD) |
Quantity | ||||
|---|---|---|---|---|---|---|---|---|---|---|
![]() |
![]() W9425G6EH-5 |
![]() |
![]() IC DDR-400 SDRAM 256MB 66TSSOPII |
![]() Data Sheet |
![]() Negotiable |
|
||||
| Image | Part No | Mfg | Description | ![]() |
Pricing (USD) |
Quantity | ||||
![]() |
![]() W942508BH |
![]() Other |
![]() |
![]() Data Sheet |
![]() Negotiable |
|
||||
![]() |
![]() W942508CH |
![]() Other |
![]() |
![]() Data Sheet |
![]() Negotiable |
|
||||
![]() |
![]() W942516AH |
![]() Other |
![]() |
![]() Data Sheet |
![]() Negotiable |
|
||||
![]() |
![]() W942516BH |
![]() Other |
![]() |
![]() Data Sheet |
![]() Negotiable |
|
||||
![]() |
![]() W942516CH |
![]() Other |
![]() |
![]() Data Sheet |
![]() Negotiable |
|
||||
![]() |
![]() W9425G6EH-5 |
![]() |
![]() IC DDR-400 SDRAM 256MB 66TSSOPII |
![]() Data Sheet |
![]() Negotiable |
|
||||
(China (Mainland))










