Product Summary
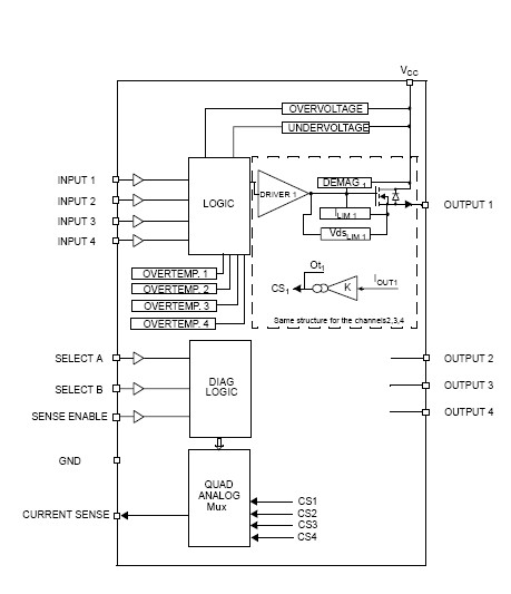
The VNQ05XSP is a quad channel high side solid state relay. The VNQ05XSP is a monolithic device designed in STMicroelectronics VIPower M0-3 Technology. It is intended for driving any type of multiple loads with one side connected to ground. Active VCC pin voltage clamp protects the device against low energy spikes (see ISO7637 transient compatibility table). This device has four independent channels and one multiplexed analog sense output which deliver a current proportional to the selected output current. SenseEnable pin allows to connect any number of VNQ05XSP on the same Current Sense line. Active current limitation combined with thermal shut-down and automatic restart protect the device against overload. Device automatically turns off in case of ground pin disconnection.
Parametrics
VNQ05XSP absolute maximum ratings: (1)Supply voltage (continuous): 41 V; (2)Reverse supply voltage (continuous): -0.3 V; (3)Output current (continuous), for each channel: Internally limited A; (4)Reverse output current (continuous), for each channel: -5 A; (5)Input current (IN1,IN2,IN3,IN4,SELA,SELB,SENSENABLE): +/- 10 mA; (6)Current sense maximum voltage: -3V; (7)Ground current at Tcase<25℃ (continuous): -200 mA; (8)Power dissipation at Tcase=25℃: 78 W; (9)Maximum Switching Energy: 76 mJ; (10)Junction operating temperature: Internally limited ℃; (11)Case Operating Temperature: - 40 to 150 ℃; (12)Storage temperature: -55 to 150 ℃.
Features
VNQ05XSP features: (1)output current (continuous): 5A; (2)CMOS compatible inputs; (3)multiplexed proportional load current sense; (4)under voltage & overvoltage shut- down; (5)overvoltage clamp; (6)thermal shut down; (7)current limitation; (8)very low stand-by power dissipation; (9)protection against:; (10)loss of ground & loss of vcc; (11)reverse battery protection .
Diagrams

| Image | Part No | Mfg | Description | ![]() |
Pricing (USD) |
Quantity | ||||||||||||
|---|---|---|---|---|---|---|---|---|---|---|---|---|---|---|---|---|---|---|
![]() |
![]() VNQ05XSP16 |
![]() STMicroelectronics |
![]() Solid State Relays Quad Channel H Side Solid State Relay |
![]() Data Sheet |
![]()
|
|
||||||||||||
![]() |
![]() VNQ05XSP1613TR |
![]() STMicroelectronics |
![]() Power Switch ICs - Power Distribution Quad Channel Hi-Side |
![]() Data Sheet |
![]()
|
|
||||||||||||
![]() |
![]() VNQ05XSP16TR-E |
![]() STMicroelectronics |
![]() Power Driver ICs Quad Channel Hi-Side |
![]() Data Sheet |
![]()
|
|
||||||||||||
![]() |
![]() VNQ05XSP16-E |
![]() STMicroelectronics |
![]() Power Switch ICs - Power Distribution QUAD CH HI-SIDE SOLID STATE RELAY |
![]() Data Sheet |
![]()
|
|
||||||||||||
(China (Mainland))









