Product Summary
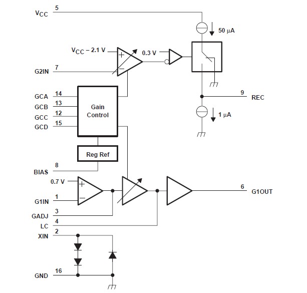
The TL852C is an economical sonar ranging receiver integrated circuit for use with the TL851 control integrated circuit. A minimum of the TL852C is required for operation, and this amplifier easily interfaces to Polaroids 50-kHz electrostatic transducer. An external 68-kW ±5% resistor from BIAS to GND provides the internal biasing reference. Amplifier gain can be set with a resistor from G1IN to GADJ. Required amplifier gain will vary for different applications.
Parametrics
TL852C absolute maximum ratings: (1)Voltage at any pin with respect to GND: – 0.5 V to 7 V; (2)Voltage at any pin with respect to VCC: – 7 V to 0.5 V; (3)XIN input current (50% duty cycle): ±60 mA; (4)Continuous power dissipation at (or below)25℃ free-air temperature: 1150 mW; (5)Operating free-air temperature range: – 40℃ to 85℃; (6)Storage temperature range: – 65℃ to 150℃; (7)Lead temperature 1,6 mm (1/16 inch)from case for 10 seconds: 260℃.
Features
TL852C features: (1)Designed for Use With the TL851 in Sonar; (2)Ranging Modules Like the SN28827; (3)Digitally Controlled Variable-Gain Variable-Bandwidth Amplifier; (4)Operational Frequency Range of 20 kHz to 90 kHz; (5)TTL-Compatible; (6)Operates From Power Sources of 4.5 V to 6.8 V; (7)Interfaces to Electrostatic or Piezoelectric Transducers; (8)Overall Gain Adjustable With One External Resistor.
Diagrams

| Image | Part No | Mfg | Description | ![]() |
Pricing (USD) |
Quantity | ||||||||||||
|---|---|---|---|---|---|---|---|---|---|---|---|---|---|---|---|---|---|---|
![]() |
![]() TL852CNE4 |
![]() Texas Instruments |
![]() RF Receiver Sonar Ranging |
![]() Data Sheet |
![]()
|
|
||||||||||||
![]() |
![]() TL852CN |
![]() Texas Instruments |
![]() RF Receiver Sonar Ranging Rcvr |
![]() Data Sheet |
![]()
|
|
||||||||||||
![]() |
![]() TL852CDRG4 |
![]() Texas Instruments |
![]() RF Receiver Sonar Ranging |
![]() Data Sheet |
![]()
|
|
||||||||||||
![]() |
![]() TL852CDR |
![]() Texas Instruments |
![]() RF Receiver Sonar Ranging Rcvr |
![]() Data Sheet |
![]()
|
|
||||||||||||
(China (Mainland))









