Product Summary
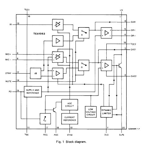
The TEA1063 is an integrated circuit that performs all speech and line interface functions required in fully electronic telephone sets. The TEA1063 performs electronic switching between dialling and speech. The TEA1063 operates at line voltage down to 1.6 V DC (with reduced performance) to facilitate the use of more telephone sets connected in parallel.
Parametrics
TEA1063 absolute maximum ratings: (1)VLN, positive continuous line voltage:12 V; (2)VLN(R), repetitive line voltage during switch-on or line interruption: 13.2 V; (3)VLN(RM), repetitive peak line voltage for a 1 ms pulse per 5s: 28 V; (4)Iline, line current: 140 mA; (5)VI, input voltage on all other pins: VEE-0.7 V to VCC+0.7V; (6)Ptot, total power dissipation: 715 mW; (7)Tamb, operating ambient temperature: -25 to +75℃; (8)Tstg, storage temperature: -40 to +125℃; (9)Tj, junction temperature: 125℃.
Features
TEA1063 features: (1)Low DC line voltage; operates down to 1.6 V (excluding polarity guard); (2)Voltage regulator with adjustable static resistance; (3)Provides a supply for external circuits; (4)Symmetrical high-impedance inputs (64 kW) for dynamic, magnetic or piezoelectric microphones; (5)Asymmetrical high-impedance input (32 kW) for electret microphones; (6)DTMF signal input with confidence tone; (7)Receiving amplifier for dynamic, magnetic or piezoelectric earpieces; (8)Large gain setting ranges on microphone and earpiece amplifiers; (9)Line loss compensation (line current dependent) for microphone and earpiece amplifiers; (10)Gain control curve adaptable to exchange supply; (11)DC line voltage adjustment facility.
Diagrams

![]() |
![]() TEA1007 |
![]() Other |
![]() |
![]() Data Sheet |
![]() Negotiable |
|
||||
![]() |
![]() TEA100M1CBK-0512P |
![]() Lelon |
![]() Aluminum Electrolytic Capacitors - Leaded 16V 10uF 20% |
![]() Data Sheet |
![]() Negotiable |
|
||||
![]() |
![]() TEA100M1CTR-0512P |
![]() Lelon |
![]() Aluminum Electrolytic Capacitors - Leaded 16V 10uF 20% |
![]() Data Sheet |
![]() Negotiable |
|
||||
![]() |
![]() TEA100M1EBK-0512P |
![]() Lelon |
![]() Aluminum Electrolytic Capacitors - Leaded 25V 10uF 20% |
![]() Data Sheet |
![]() Negotiable |
|
||||
![]() |
![]() TEA100M1ETR-0512P |
![]() Lelon |
![]() Aluminum Electrolytic Capacitors - Leaded 25V 10uF 20% |
![]() Data Sheet |
![]() Negotiable |
|
||||
![]() |
![]() TEA100M1HBK-0512P |
![]() Lelon |
![]() Aluminum Electrolytic Capacitors - Leaded 50V 10uF 20% |
![]() Data Sheet |
![]() Negotiable |
|
||||
(China (Mainland))









