Product Summary
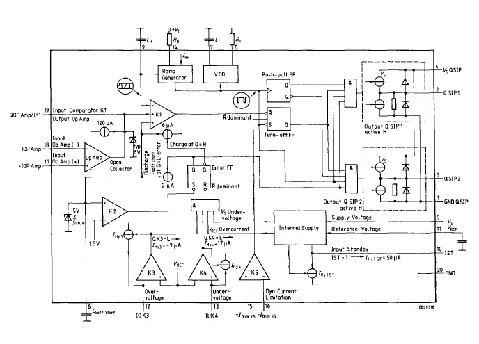
The UPC624C is a switched - mode power supply. The versatile switch-mode power supply ICs for the direct control of SIPMOS power transistors comprises digital and analog functions. These functions are required for the design of high-quality fly back and forward converters during single-phase and push-pull operation in normal, half-bridge and full-bridge configurations. The ICs can also be used for transformer less voltage multipliers and speed-controlled motors. Malfunctions in the electrical operation of the switch-mode power supply are recognized by on-chip comparators which activate protective functions.
Parametrics
UPC624C absolute maximum ratings: (1)Supply voltage : -0.3 to 33 V; (2)Inputs Op Amp, K3, K5, I ST : -0.3 to 33 V.
Features
UPC624C features: (1)Switching frequency up to 300 kHz (TDA 4919) or 150 kHz (TDA 4918); (2)Push-pull output driver with + 700 mA/- 500mA; (3)Separate GND for the driver outputs; (4)Feed-forward control; (5)Soft start; (6)Hysteresis adjustable at overvoltage and undervoltage comparator; (7)Current-saving starting circuit; (8)Current mode and voltage mode operation are possible.
Diagrams

(China (Mainland))






