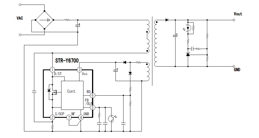
Product Summary
The STR-Y6763 is a power IC for quasi-resonant (QR) switching mode power supplies, incorporating a power MOSFET and a controller IC. The STR-Y6763 achieves high efficiency and low noise systems, by automatic switching of Auto-Standby operation under light load conditions, QR operation and Bottom-Skip QR operation in normal operation. The STR-Y6763 easily achieves high cost-performance power supply systems with few external components.
Parametrics
STR-Y6763 absolute maximum ratings: (1)RDS(ON)(MAX): 3.5Ω; (2)MOSFET VDSS (MIN): 800V; (3)Power Supply: 70W.
Features
STR-Y6763 features: (1)Multi-Mode Control; (2)The automatic operation mode switching with three steps according to load conditions achieves the optimal power supply systems with high efficiency and low noise across full load range. In Standby Auto Standby Operation ( Burst-Oscillation), Under Low to Middle Load Conditions Bottom-Skip Quasi-Resonant Operation (Bottom-Skip QR), Under Middle to Rating (or Heavy)Load Conditions --Quasi-Resonant Operation (QR); (3)Current-Mode Control; (4)Built-in Startup Circuit, enabling Low Power Consumption; (5)Auto-Standby Function with burst-oscillation, enabling low standby power Input Power at no load : PIN < 30mW (100VAC), PIN < 50mW (240VAC); (6)Soft-ON Function, preventing the audible noise from transformer at standby (Burst-Oscillation); (7)Built-in Soft-Start Function; (8)Built-in Bias Assist Function; (9)Overcurrent Protection (OCP)with AC Input Compensation Function; (10)Built-in Leading Edge Blanking Function; (11)Built-in High-Voltage Power MOSFET with Avalanche Energy Guaranteed.
Diagrams

![]() |
![]() STR-15 |
![]() Keystone Electronics |
![]() Circuit Board Hardware - PCB SPACER KIT |
![]() Data Sheet |
![]()
|
|
||||||||||
![]() |
![]() STR-241 |
![]() Other |
![]() |
![]() Data Sheet |
![]() Negotiable |
|
||||||||||
![]() |
![]() STR-35 |
![]() Keystone Electronics |
![]() Tool Kits & Cases KIT |
![]() Data Sheet |
![]()
|
|
||||||||||
![]() |
![]() STR-440 |
![]() Keystone Electronics |
![]() Circuit Board Hardware - PCB 400 pc Stndoff Kit 4-40 Thread |
![]() Data Sheet |
![]()
|
|
||||||||||
![]() |
![]() STR-53041 |
![]() Other |
![]() |
![]() Data Sheet |
![]() Negotiable |
|
||||||||||
![]() |
![]() STR-632 |
![]() Keystone Electronics |
![]() Circuit Board Hardware - PCB 400 pc Stndoff Kit 6-32 Thread |
![]() Data Sheet |
![]()
|
|
||||||||||
(China (Mainland))









