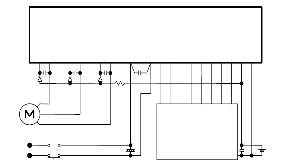
Product Summary
The STK650-433B is a 3-phase Inverter power hybrid IC containing power elements (IGBT and FRD), pre-driver, over-current protection circuit.
Parametrics
STK650-433B absolute maximum ratings: (1)Supply voltage VCC: 500 V; (2)Collector-emitter voltage VCE:000 V; (3)Output current IO: ±10 A; (4)Output peak current IOP: ±15 A; (5)Pre-driver supply voltage VD1.2.3.4: 20 V; (6)Input signal voltage VIN: 0 to 7 V; (7)FAULT terminal voltage V FAULT: 20 V; (8)Maximum loss Pd: 15 W; (9)Junction temperature Tj: 150℃; (10)Storage temperature Tstg: -40 to+125℃; (11)Operating temperature TC: -20 to+100℃; (12)Mounting torque: 1.0 Nm.
Features
STK650-433B features: (1)Integrates power elements (IGBT and FRD), pre-driver, and protective circuit; (2)Protective circuits including over-current (bus line), and pre-drive low voltage protection are built in; (3)Direct input of CMOS level control signals without an insulating circuit (photo-coupler, etc) is possible; (4)A single power supply drive is enabled through the use of bootstrap circuits for upper power supplies, (externally set); (5)Built-in simultaneous upper/lower ON prevention circuit to prevent arm shorting through simultaneous ON input for the upper and lower side transistors. (Dead time is required for preventing shorting due to switching delay); (6)SIP (The single in-line package) of the transfer full mold structure.
Diagrams

![]() |
![]() STK621-033A-E |
![]() ON Semiconductor |
![]() Motor / Motion / Ignition Controllers & Drivers |
![]() Data Sheet |
![]()
|
|
||||||||||||
![]() |
![]() STK621-041 |
![]() Other |
![]() |
![]() Data Sheet |
![]() Negotiable |
|
||||||||||||
![]() |
![]() STK621-041A-E |
![]() ON Semiconductor |
![]() Motor / Motion / Ignition Controllers & Drivers |
![]() Data Sheet |
![]()
|
|
||||||||||||
![]() |
![]() STK621-043A-E |
![]() ON Semiconductor |
![]() Motor / Motion / Ignition Controllers & Drivers |
![]() Data Sheet |
![]()
|
|
||||||||||||
![]() |
![]() STK621-061A-E |
![]() Other |
![]() |
![]() Data Sheet |
![]() Negotiable |
|
||||||||||||
![]() |
![]() STK621-061-E |
![]() ON Semiconductor |
![]() Motor / Motion / Ignition Controllers & Drivers INVERTER HIC |
![]() Data Sheet |
![]()
|
|
||||||||||||
(China (Mainland))








