Product Summary
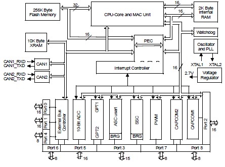
The ST10F269-T3 is a 16-bit single-chip CMOS microcontroller. The ST10F269-T3 combines high CPU performance (up to 20 million instructions per second) with high peripheral functionality and enhanced I/O-capabilities. The ST10F269-T3 also provides on-chip high-speed single voltage Flash memory, on-chip high-speed RAM, and clock generation via PLL.
Parametrics
ST10F269-T3 absolute maximum ratings: (1)VDD Voltage on VDD pins with respect to ground: -0.5, +6.5 V; (2)VIO Voltage on any pin with respect to ground: -0.5, (VDD +0.5) V; (3)VAREF Voltage on VAREF pin with respect to ground: -0.3, (VDD +0.3) V; (4)IOV Input Current on any pin during overload condition: -10, +10 mA; (5)ITOV Absolute Sum of all input currents during overload condition: |100| mA; (6)Ptot Power Dissipation: 0.75 W; (7)TA Ambient Temperature under bias: -40, +125 ℃; (8)Tstg Storage Temperature: -65, +150 ℃.
Features
ST10F269-T3 features: (1)two can 2.0b interfaces operating on one or two can busses (30 or 2x15 message objects); (2)fail-safe protection: programmable watchdog timer ,oscillator watchdog; (3)on-chip bootstrap loader; (4)clock generation: on-chip pll ,direct or prescaled clock input; (5)real time clock; (6)up to 111 general purpose i/o lines: individually programmable as input, output or special function ,programmable threshold (hysteresis)idle and power down modes; (7)single voltage supply: 5v ±10% (embedded; (8)regulator for 2.7v core supply).; (9)temperature range: -40 + 125℃; (10)144-pin tqfp package.
Diagrams

| Image | Part No | Mfg | Description | ![]() |
Pricing (USD) |
Quantity | ||||||||||||
|---|---|---|---|---|---|---|---|---|---|---|---|---|---|---|---|---|---|---|
![]() |
![]() ST10F269-T3 |
![]() Other |
![]() |
![]() Data Sheet |
![]() Negotiable |
|
||||||||||||
| Image | Part No | Mfg | Description | ![]() |
Pricing (USD) |
Quantity | ||||||||||||
![]() |
![]() ST10 |
![]() Other |
![]() |
![]() Data Sheet |
![]() Negotiable |
|
||||||||||||
![]() |
![]() ST10 family |
![]() Other |
![]() |
![]() Data Sheet |
![]() Negotiable |
|
||||||||||||
![]() |
![]() ST1000-30T3KI |
![]() |
![]() CAP TANT 1000UF 30V 10% AXIAL |
![]() Data Sheet |
![]()
|
|
||||||||||||
![]() |
![]() ST10003BRC |
![]() |
![]() CURRENT LIMITER INRUSH 10 OHM 3A |
![]() Data Sheet |
![]()
|
|
||||||||||||
![]() |
![]() ST10006BRD |
![]() |
![]() CURRENT LIMITER INRUSH 10 OHM 6A |
![]() Data Sheet |
![]()
|
|
||||||||||||
![]() |
![]() ST1000C..K |
![]() Other |
![]() |
![]() Data Sheet |
![]() Negotiable |
|
||||||||||||
(China (Mainland))










