Product Summary
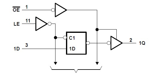
The SN74ALS373N is an octal transparent D-type latch feature 3-state outputs. The SN74ALS373N is designed specifically for driving highly capacitive or relatively low-impedance loads. The SN74ALS373N particularly suitable for implementing buffer registers, I/O ports, bidirectional bus drivers, and working registers. While the latch-enable (LE) input is high, the Q outputs follow the data (D) inputs. When LE is taken low, the Q outputs are latched at the logic levels set up at the D inputs.
Parametrics
SN74ALS373N absolute maximum ratings: (1)Supply voltage, VCC: 7 V; (2)Input voltage, VI: 7 V; (3)Voltage applied to any output in the high state or power-off state: 5.5 V; (4)Package thermal impedance, θJA (see Note 1): DW package: 58°C/W; (5)Package thermal impedance, θJA (see Note 1): N package: 69°C/W; (6)Package thermal impedance, θJA (see Note 1): NS package: 60°C/W; (7)Storage temperature range, Tstg: –65°C to 150°C.
Features
SN74ALS373N features: (1)Eight Latches in a Single Package; (2)3-State Bus-Driving True Outputs; (3)Full Parallel Access for Loading; (4)Buffered Control Inputs; (5)pnp Inputs Reduce dc Loading on Data Lines.
Diagrams

(China (Mainland))






