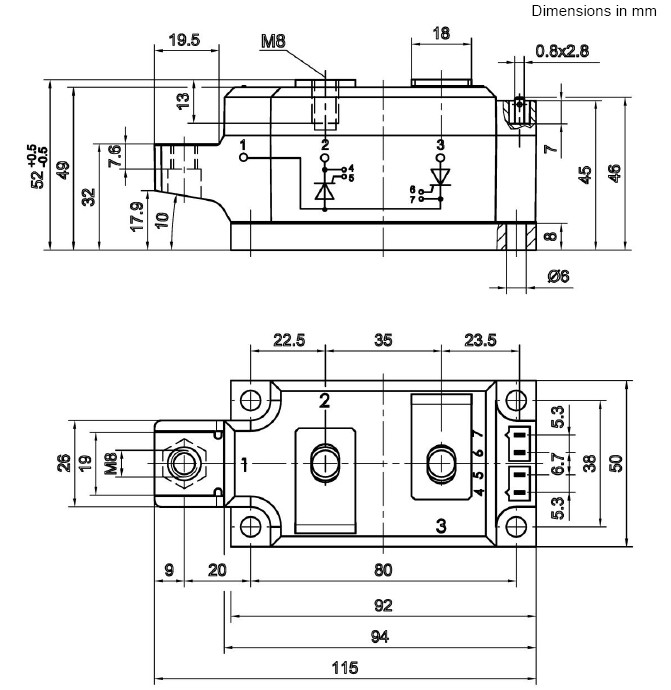
Product Summary
The SKKT250/16E is a Thyristor / Diode Module. The applications of the SKKT250/16E include DC motor control, AC motor starters, Temperature control and Professional light dimming.
Parametrics
SKKT250/16E absolute maximum ratings: (1)ITAV: 250A; (2)ITSM: 9000A; (3)VT: MAX1.4V; (4)rT: MAX0.45mΩ; (5)IDD: MAX50mA; (6)tgd: 1μs; (7)IH: 150/500mA; (8)IL: 300/2000A; (9)Tvj: -40 to +130℃.
Features
SKKT250/16E features: (1)Heat transfer through aluminium nitride ceramic isolated metal baseplate; (2)Precious metal pressure contacts for high reliability; (3)Thyristor with amplifying gate.
Diagrams

(China (Mainland))






