Product Summary
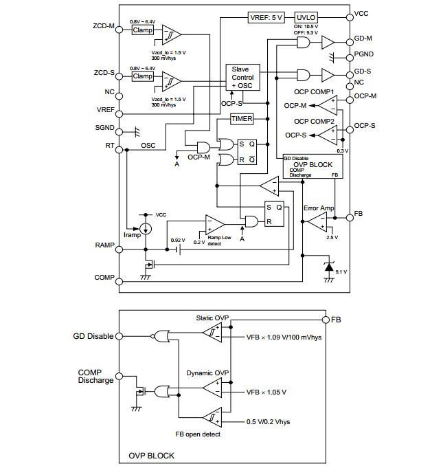
The R2A20112 is a Critical Conduction Mode Interleaved PFC Control IC.The R2A20112 controls a boost converter to provide a active power factor correction. The R2A20112 adopts critical conduction mode for power factor correction and realizes high efficiency and a low switching noise by zero current switching. Interleaving function improve ripple current on input or output capacitor by 180 degrees phase shi
Parametrics
R2A20112 absolute maximum ratings: (1)Supply voltage Vcc: -0.3 to 24V; (2)GD-M Peak current: ±200mA; (3)GD-M DC current: ±10mA; (4)GD-S Peak current: ±200mA; (5)GD-S DC current: ±10mA; (6)ZCD terminal current: ±10mA; (7)RT terminal:-200μA; (8)Vref terminal current: -5mA; (9)COMP terminal current: ±1mA; (10)Terminal voltage: -0.3 to Vcc V; (11)Power dissipation: 1W; (12)Operating junction temperature: -40 to +150℃; (13)Storage temperature: -55 to +150℃.
Features
R2A20112 features: (1)Supply voltage Vcc: 24V; (2)Operating junction temperature Tjopr: –40 to +150℃; (3)VREF output voltage VREF: 5.0V ±3%; (4)UVLO operation start voltage VH: 10.5V ± 0.7V; (5)UVLO operation shutdown voltage VL: 9.3V ± 0.5V; (6)UVLO hysteresis voltage Hysuvl: 1.2V ±0.5V; (7)Boost converter control with critical conduction mode; (8)Interleaving control; (9)Feedback loop open detection; (10)Master and Slave independence overcurrent protection; (11)280 μs restart timer; (12)Package lineup: Pb-free SOP-16/DILP-16.
Diagrams

(China (Mainland))






