Product Summary
The PM50RSK060 is an Intelligent Power Module. The PM50RSK060 is isolated base modules designed for power switching applications operating at frequencies to 20kHz. Built-in control circuits provide optimum gate drive and protection for the IGBT and free-wheel diode power devices. It is ideal for: (1)Inverters; (2)UPS; (3)Motion/Servo Control; (4)Power Spplies.
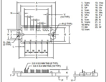
Parametrics
PM50RSK060 absolute maximum ratings: (1)Power Device Junction Temperature: -20 to 150 ℃; (2)Storage Temperature: -40 to 125 ℃; (3)Case Operating Temperature: -20 to 100 ℃; (4)Mounting Torque, M4 Mounting Screws: 0.98 ~ 1.47 N · m; (5)Module Weight (Typical): 60 Grams; (6)Supply Voltage Protected by OC and SC (VD = 13.5 - 16.5V, Inverter Part): 400 Volts; (7)Isolation Voltage (Main Terminal to Baseplate, AC 1 min.): 2500 Vrms.
Features
PM50RSK060 features: (1)Complete Output Power Circuit; (2)Gate Drive Circuit; (3)Protection Logic: Short Circuit, Over Current, Over Temperature, Under Voltage.
Diagrams

| Image | Part No | Mfg | Description | ![]() |
Pricing (USD) |
Quantity | ||||||||||||
|---|---|---|---|---|---|---|---|---|---|---|---|---|---|---|---|---|---|---|
![]() |
![]() PM50RSK060 |
![]() |
![]() MOD IPM 7PAC 600V 50A |
![]() Data Sheet |
![]() Negotiable |
|
||||||||||||
| Image | Part No | Mfg | Description | ![]() |
Pricing (USD) |
Quantity | ||||||||||||
![]() |
![]() PM500 |
![]() Other |
![]() |
![]() Data Sheet |
![]() Negotiable |
|
||||||||||||
![]() |
![]() PM50100K |
![]() Other |
![]() |
![]() Data Sheet |
![]() Negotiable |
|
||||||||||||
![]() |
![]() PM50150 |
![]() Other |
![]() |
![]() Data Sheet |
![]() Negotiable |
|
||||||||||||
![]() |
![]() PM5022-100M |
![]() Bourns |
![]() Power Inductors 10uH 20% |
![]() Data Sheet |
![]() Negotiable |
|
||||||||||||
![]() |
![]() PM5022-100M-RC |
![]() J.W. Miller |
![]() Power Inductors 10uH 20% |
![]() Data Sheet |
![]()
|
|
||||||||||||
![]() |
![]() PM5022-101K-RC |
![]() Bourns |
![]() Power Inductors Pwr Inductor, Non-Shielded |
![]() Data Sheet |
![]() Negotiable |
|
||||||||||||
(China (Mainland))










