Product Summary
The PM30CMA060-1 is an IGBT. Applications of the PM30CMA060-1 are general purpose inverter, servo drives and other motor controlers.
Parametrics
PM30CMA060-1 absolute maximum ratings: (1)VCES Collector-Emitter Voltage VD = 15V,VCIN = 15V: 600V; (2)±lc Collector Current Tc = 25°C: 30A; (3)±ICP Collector Current (Peak) Tc = 25°C: 60A; (4)PC Collector Dissipation TC = 25°C: 83W; (5)Tj Junction Temperature: -20 - +125°C; (6)Vd Supply Voltage Applied between Vupi-Vupc WP1-WPC, VWP1-VWPC, VN1-VNC: 20V; (7)VCIN Input Voltage Applied between Up-Vupc, Vp-Vvpc WP-VWPC, UN.VN.WN-VNC: 20V; (8)VFO Fault Output Supply Voltage Applied between Fo-Vnc: 20V; (9)IFO Fault Output Current Sink current at Fo terminals: 20mA; (10).
Features
PM30CMA060-1 features: (1)3 phase IGBT (30A/600V)inverter output; (2)Monolithic gate drive & protection logic circuit; (3)Protection logic; (4)Over circuit (OC); (5)Short circuit (SC); (6)Over temperature (OT); (7)Under voltage lock-out (UV); (8)UL Recognized File No. E80271 Yellow Card No. E80276.
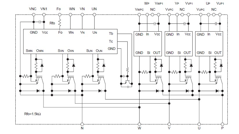
Diagrams

![]() |
![]() PM300 |
![]() Other |
![]() |
![]() Data Sheet |
![]() Negotiable |
|
||||||
![]() |
![]() PM300CBS060 |
![]() Other |
![]() |
![]() Data Sheet |
![]() Negotiable |
|
||||||
![]() |
![]() PM300CE |
![]() Other |
![]() |
![]() Data Sheet |
![]() Negotiable |
|
||||||
![]() |
![]() PM300CL1A060 |
![]() Other |
![]() |
![]() Data Sheet |
![]() Negotiable |
|
||||||
![]() |
![]() PM300CLA060 |
![]() |
![]() MOD IPM L-SER 6PAC 600V 300A |
![]() Data Sheet |
![]()
|
|
||||||
![]() |
![]() PM300CLA120 |
![]() |
![]() MOD IPM L-SER 6PAC 1200V 300A |
![]() Data Sheet |
![]()
|
|
||||||
(China (Mainland))








