Product Summary
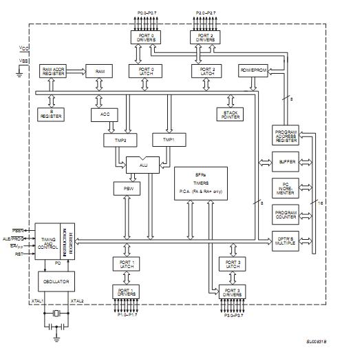
The p80c32sbaa is a single-chip 8-bit microcontroller. The p80c32sbaa is manufactured in advanced CMOS process and are derivatives of the 80C51 microcontroller family. The p80c32sbaa provides architectural enhancements that makes the p80c32sbaa applicable in a variety of applications for general control systems.
Parametrics
p80c32sbaa absolute maximum ratings: (1) Operating temperature under bias: 0 to 70 or -40 to +85°C; (2) Storage temperature range: -65 to +150°C; (3) Voltage on EA/V pp pin to Vss: 0 to 13V; (4) Voltage on any other pin to VSS: -0.5 to +6.5V; (5) Maximum IOL per I/O pin: 15mA; (6) Power dissipation (based on package heat transfer limitations, not device power consumption) : 1.5W.
Features
p80c32sbaa features: (1) 80C51 Central Processing Unit; (2) Speed up to 33MHz; (3) Full static operation; (4) Operating voltage range:2.7V to 5.5V @ 16MHz; (5) Encryption array-64 bytes; (6) RAM expandable to 64K bytes; (7) 4 level priority interrupt; (8) 6 or 7 interrupt sources, depending on device; (9) Power control modes; (10) Second DPTR register; (11) Asynchronous port reset; (12) Low EMI (inhibit ALE) .
Diagrams

| Image | Part No | Mfg | Description | ![]() |
Pricing (USD) |
Quantity | ||||||||||||
|---|---|---|---|---|---|---|---|---|---|---|---|---|---|---|---|---|---|---|
![]() |
![]() P80C32SBAA,512 |
![]() NXP Semiconductors |
![]() 8-bit Microcontrollers (MCU) 80C51 256B 16MHZ ROMLESS |
![]() Data Sheet |
![]()
|
|
||||||||||||
| Image | Part No | Mfg | Description | ![]() |
Pricing (USD) |
Quantity | ||||||||||||
![]() |
![]() P80C151SB |
![]() Other |
![]() |
![]() Data Sheet |
![]() Negotiable |
|
||||||||||||
![]() |
![]() P80C152JA |
![]() Other |
![]() |
![]() Data Sheet |
![]() Negotiable |
|
||||||||||||
![]() |
![]() P80C251SB16 |
![]() |
![]() IC MPU 8-BIT 5V 16MHZ 40-DIP |
![]() Data Sheet |
![]() Negotiable |
|
||||||||||||
![]() |
![]() P80C251SQ16 |
![]() |
![]() IC MPU 8-BIT 5V 16MHZ 40-DIP |
![]() Data Sheet |
![]() Negotiable |
|
||||||||||||
![]() |
![]() P80C251TB24 |
![]() |
![]() IC MPU 8-BIT 5V 24MHZ 40-DIP |
![]() Data Sheet |
![]() Negotiable |
|
||||||||||||
![]() P80C251TQ24 |
![]() |
![]() IC MPU 8-BIT 5V 24MHZ 40-DIP |
![]() Data Sheet |
![]() Negotiable |
|
|||||||||||||
(China (Mainland))










