Product Summary
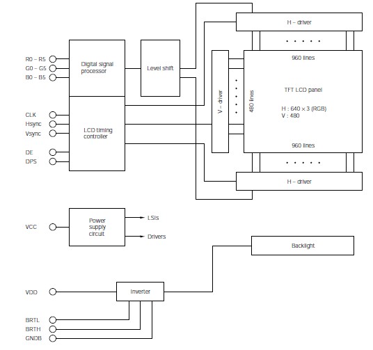
The NL6448AC20-06 is a TFT(thin film transistor) active matrix color liquid crystal display(LCD) comprising amorphous silicon TFT attached to each signal electrode, a driving circuit and a backlight. The NL6448AC20-06 has a builtin backlight. Backlight includes long-life-lamps and its lamps are replaceable. The 17cm diagonal display area contains 640 480 pixels and can display 4096 or 262144 colors simultaneously. The NL6448AC20-06 is suitable for industrial application use, because the luminance is high, and the viewing direction is selectable by display scan select.
Parametrics
NL6448AC20-06 absolute maximum ratings: (1)Supply voltage Vcc: -0.3 to 6.5 V Ta = 25℃ Vi - Vcc < 3.0; (2)Input voltage V1: -0.3 to 6.5 V; (3)Storage temp Tsr: -20 to 60℃; (4)Operating temp. Tot: 0 to 60 ℃ module surface; (5)Humidity {no condensation)RH: ≦95% relative humidity Ta≦40℃; (6)Humidity {no condensation)RH: ≦85% relative humidity 40 < Ta≦50℃; (7)Humidity {no condensation)RH: Absolute humidity shall not exceed Ta = 50℃, 85 %: relative humidity level. Ta > 50℃.
Features
NL6448AC20-06 features: (1)High luminance (200 cd/m2 Typ.: saturated value); (2)Low reflection; (3)Wide viewing angle with retardation film; (4)Display reverse scan function; (5)6-bit/4-bit digital RGB signals; (6)Edge type backlight with long-life-lamps (Two lamp holders, inverter); (7)Variable luminance control; (8)Backlight lamp holder (65LHS-3L)replaceable; (9)Compatible to the mounting hole position of NL6448AC20-02 except for inverter.
Diagrams

| Image | Part No | Mfg | Description | ![]() |
Pricing (USD) |
Quantity | ||||
|---|---|---|---|---|---|---|---|---|---|---|
![]() |
![]() NL6448AC20-06 |
![]() Other |
![]() |
![]() Data Sheet |
![]() Negotiable |
|
||||
| Image | Part No | Mfg | Description | ![]() |
Pricing (USD) |
Quantity | ||||
![]() |
![]() NL6448AC20-06 |
![]() Other |
![]() |
![]() Data Sheet |
![]() Negotiable |
|
||||
![]() |
![]() NL6448AC20-08 |
![]() Other |
![]() |
![]() Data Sheet |
![]() Negotiable |
|
||||
![]() |
![]() NL6448AC33-18A |
![]() Other |
![]() |
![]() Data Sheet |
![]() Negotiable |
|
||||
![]() |
![]() NL6448AC33-29 |
![]() Other |
![]() |
![]() Data Sheet |
![]() Negotiable |
|
||||
![]() |
![]() NL6448BC20-08 |
![]() Other |
![]() |
![]() Data Sheet |
![]() Negotiable |
|
||||
![]() |
![]() NL6448BC33-31 |
![]() Other |
![]() |
![]() Data Sheet |
![]() Negotiable |
|
||||
(China (Mainland))









