Product Summary
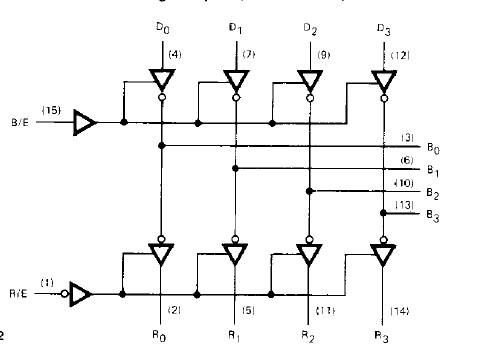
The N8T26AN is a schottky three-state quad bus driver. The N8T26AN is high speed bus transceivers consisting of four bus drivers with three-state outputs and four bus receivers, also with three-state outputs. Each driver output is internally connected to a receiver input. The N8T26AN has PNP inputs. One buffered common bus enable input is connected to the four drivers and another buffered common receiver enable input is connected to the receivers. A LOW on the bus enable (B/E) input forces the four driver outputs to the high-impedance state. A HIGH on the bus enable allows input data to be transferred onto the data bus.
Parametrics
N8T26AN absolute maximum ratings: (1)Storage Temperature: -65 to 150℃; (2)Temperature (Ambient)Under Bias: -55 to 125℃; (3)Supply Voltage to Ground Potential (Pin 16 to Pin 8)Continuous: 0.5 to 7V; (4)DC Voltage Applied to Outputs for HIGH Output State: -0.5 to +Vcc max; (5)DC Input Voltage: -0.5 to 5.5V; (6)DC Output Current, Into Outputs (Receiver): 30mA; (7)DC Output Current, Into Outputs (BUS): 80mA; (8)DC Input Current: -30 to 5mA.
Features
N8T26AN features: (1)Advanced Schottky technology; (2)48mA driver sink current; (3)Three-state outputs on driver and reciever; (4)PNP inputs; (5)Am8T26A has inverting outputs; (6)Am8T28 has non-inverting outputs; (7)Driver propagation delay; (8)Receiver propagation delay; (9)100% reliability assurance testing in compliance wit MIL-STD-883.
Diagrams

![]() |
![]() N8T26 |
![]() Other |
![]() |
![]() Data Sheet |
![]() Negotiable |
|
||||
(China (Mainland))








