Product Summary
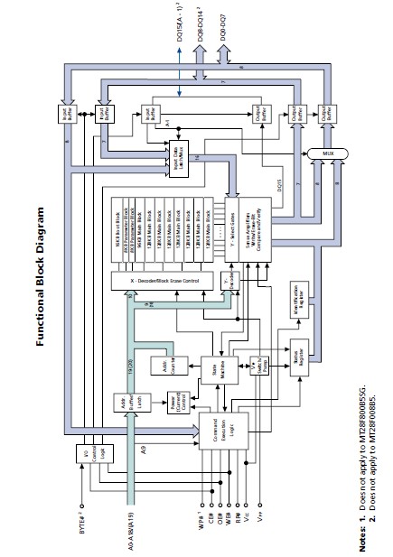
The MT28F800B5WG-8TF is a flash memory. It is a nonvolatile, electrically block-erasable (Flash), programmable read-only memory containing 8,388,608 bits organized as 524,288 words (16 bits) or 1,048,576 bytes (8 bits). Writing or erasing the device is done with a 5V VPP voltage, while all operations are performed with a 5V VCC. Due to process technology advances, 5V VPP is optimal for application and production programming. The MT28F800B5WG-8TF is fabricated with Micron advanced 0.18μm CMOS floating-gate process.
Parametrics
MT28F800B5WG-8TF absolute maximum ratings: (1)Voltage on VCC Supply Relative to VSS: -0.5V to +6V; (2)Input Voltage Relative to VSS: -0.5V TO +6V; (3)VPP Voltage Relative TO VSS: -0.5V to +5.5V; (4)Pin Voltage Relative to Vss: -0.5V to +12.6V; (5)Temperature Under Bias: -40℃ to +85℃; (6)Storage Temperature (plastic): -55℃ to +125℃; (7)Power Dissipation: 1W.
Features
MT28F800B5WG-8TF features: absolute maximum ratings: (1)Advanced 0.18μm CMOS floating-gate process; (2)Compatible with 0.3μm Smart 5 device; (3)Address access time: 80ns; (4)100,000 ERASE cycles; (5)Industry-standard pinouts; (6)Automated write and erase algorithm; (7)Two-cycle WRITE/ERASE sequence; (8)TSOP and SOP packaging options; (9)Byte or word wide READ and WRITE.
Diagrams

(China (Mainland))






