Product Summary
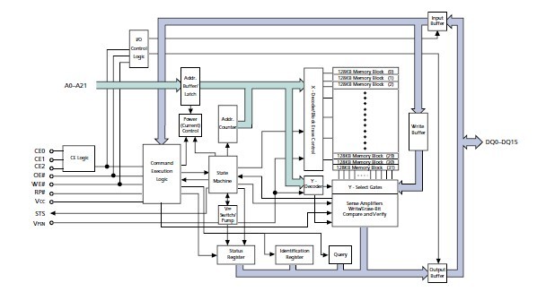
The MT28F640J3RG-12A is a nonvolatile, electrically block-erasable (Flash), programmable memory containing 134,217,728 bits organized as 16,777,218 bytes (8 bits) or 8,388,608 words (16 bits). This 128Mb device is organized as one hundred twenty-eight 128KB erase blocks. The MT28F640J3RG-12A contains 67,108,864 bits organized as 8,388,608 bytes (8 bits) or 4,194,304 words (16 bits). This 64Mb device is organized as sixty-four 128KB erase blocks.
Parametrics
MT28F640J3RG-12A absolute maximum ratings: (1)Temperature under bias expanded: -40 to +85℃; (2)Storage Temperature: -65 to +125℃; (3)Voltage on any pin: -2.0V to +5.0 V; (4)Short Circuit Output Current: 100 mA.
Features
MT28F640J3RG-12A features: (1)One hundred twenty-eight 128KB erase blocks (128Mb); (2)Sixty-four 128KB erase blocks (64Mb); (3)Thirty-two 128KB erase blocks (32Mb); (4)VCC, VCCQ, and VPEN voltages: 2.7V to 3.6V VCC operation; 2.7V to 3.6V application programming Interface Asynchronous Page Mode Reads:; (5)64-bit unique device identifier; (6)64-bit user-programmable OTP cells Enhanced data protection feature with VPEN = VSS; (7)Flexible sector locking; (8)Sector erase/program lockout during power transition Security block features Contact factory for availability 100,000 ERASE cycles per block Automatic suspend options; (9)Block Erase Suspend-to-Read ; (10)Block Erase Suspend-to-Program; (11)Program Suspend-to-Read.
Diagrams

(China (Mainland))






