Product Summary
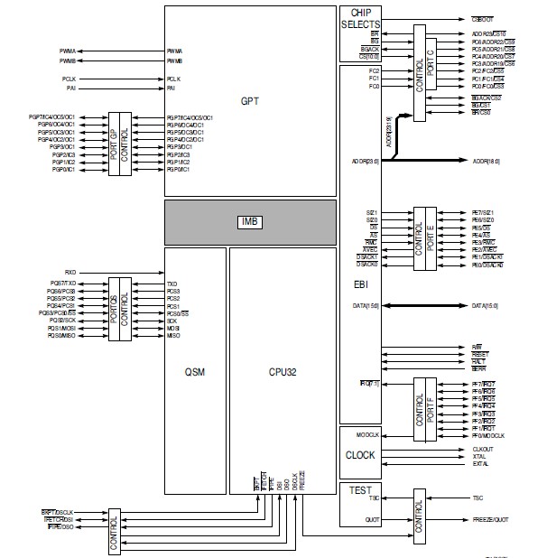
The MC68331CFC20 is a highly-integrated 32-bit microcontroller, combines high-performance data manipulation capabilities with powerful peripheral subsystems. The MC68331CFC20 is built up from standard modules that interface through a common intermodule bus (IMB). Standardization facilitates rapid development of devices tailored for specific applications. The MC68331CFC20 incorporates a 32-bit CPU (CPU32), a system integration module (SIM), a general-purpose timer (GPT), and a queued serial module (QSM).
Parametrics
MC68331CFC20 absolute maximum ratings: (1)Temperature: –40 to +85℃; (2)Frequency: 20 MHz.
Features
MC68331CFC20 features: (1)Modular Architecture; (2)Central Processing Unit (CPU32), Upward Object Code Compatible, New Instructions for Controller Applications, 32-Bit Architecture, Virtual Memory Implementation, Loop Mode of Instruction Execution, Table Lookup and Interpolate Instruction, Improved Exception Handling for Controller Applications, Trace on Change of Flow, Hardware Breakpoint Signal, Background Mode, Fully Static Operation; (3)System Integration Module (SIM), External Bus Support, Programmable Chip-Select Outputs, System Protection Logic, Watchdog Timer, Clock Monitor, and Bus Monitor, System Protection Logic, System Clock Based on 32.768-kHz Crystal for Low Power Operation, Test/Debug Submodule for Factory/User Test and Development; (4)Queued Serial Module (QSM), Enhanced Serial Communication Interface (SCI), Universal Asynchronous Receiver Transmitter (UART): Modulus Baud Rate, Parity, Queued Serial Peripheral Interface (QSPI): 80-Byte RAM, Up to 16 Automatic Transfers, Dual Function I/O Ports, Continuous Cycling, 8 to 16 Bits per Transfer; (5)General-Purpose Timer (GPT), Two 16-Bit Free-Running Counters With One Nine-Stage Prescaler, Three Input Capture Channels, Four Output Compare Channels, One Input Capture/Output Compare Channel, One Pulse Accumulator/Event Counter Input, Two Pulse-Width Modulation Outputs, Optional External Clock Input.
Diagrams

![]() |
![]() MC6800 |
![]() Other |
![]() |
![]() Data Sheet |
![]() Negotiable |
|
||||
![]() |
![]() MC6801 |
![]() Other |
![]() |
![]() Data Sheet |
![]() Negotiable |
|
||||
![]() |
![]() MC68020 |
![]() Other |
![]() |
![]() Data Sheet |
![]() Negotiable |
|
||||
![]() |
![]() MC68020CEH16E |
![]() Freescale Semiconductor |
![]() Microprocessors (MPU) 32-BIT MPU |
![]() Data Sheet |
![]() Negotiable |
|
||||
![]() |
![]() MC68020CEH25E |
![]() Freescale Semiconductor |
![]() Microprocessors (MPU) 32-BIT MPU |
![]() Data Sheet |
![]() Negotiable |
|
||||
![]() |
![]() MC68020CRC16E |
![]() Freescale Semiconductor |
![]() Microprocessors (MPU) 32-BIT MPU |
![]() Data Sheet |
![]() Negotiable |
|
||||
(China (Mainland))









