Product Summary
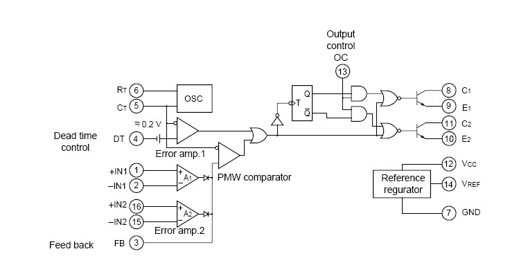
The MB3759 is a Switching Regulator Controller. The MB3759 is a control IC for constant-frequency pulse width modulated switching regulators. The IC contains most of the functions required for switching regulator control circuits. This reduces both the component count and assembly work.
Parametrics
MB3759 absolute maximum ratings: (1)Power supply voltage : 41 V; (2)Collector output voltage : 41 V; (3)Collector output current : 250 mA; (4)Amplifier input voltage : VCC + 0.3 V; (5)Power dissipation: 100mW; (6)Operating temperature : -30 to +85 ℃; (7)Storage temperature : -55 to +125 ℃.
Features
MB3759 features: (1)Drives a 200 mA load; (2)Can be set to push-pull or single-end operation; (3)Prevents double pulses; (4)Adjustable dead-time; (5)Error amplifier has wide common phase input range; (6)Built in a circuit to prevent misoperation due to low power supply voltage; (7)Built in an internal 5 V reference voltage with superior voltage reduction characteristics.
Diagrams

| Image | Part No | Mfg | Description | ![]() |
Pricing (USD) |
Quantity | ||||||||||||||||||||||
|---|---|---|---|---|---|---|---|---|---|---|---|---|---|---|---|---|---|---|---|---|---|---|---|---|---|---|---|---|
![]() |
![]() MB3759 |
![]() Other |
![]() |
![]() Data Sheet |
![]() Negotiable |
|
||||||||||||||||||||||
![]() |
![]() MB3759PF-G-BND-JNE1 |
![]() |
![]() IC PWM CTRLR PP SE 16SOP |
![]() Data Sheet |
![]()
|
|
||||||||||||||||||||||
![]() |
![]() MB3759PF-G-BND-JN-ERE1 |
![]() |
![]() IC PWM CTRLR PP SE 16SOP |
![]() Data Sheet |
![]()
|
|
||||||||||||||||||||||
(China (Mainland))










