Product Summary
The m29w400db-70n1 is a 16 Mbit (2Mb x8 or 1Mb x16) non-volatile memory that can be read, erased and reprogrammed. These operations of the m29w400db-70n1 can be performed using a single low voltage (2.7 to 3.6V) supply. The m29w400db-70n1 is divided into blocks that can be erased independently so it is possible to preserve valid data while old data is erased.
Parametrics
m29w400db-70n1 absolute maximum ratings: (1) Temperature Under Bias TBIAS: -50 to +125°C; (2) Storage Temperature TSTG: -65 to 150°C; (3) Input or Output Voltage VIO: -0.6 to Vcc +0.6V; (4) Supply Voltage Vcc: -0.6 to 4V; (5) Identification Voltage VID: -0.6 to 13.5V.
Features
m29w400db-70n1 features: (1) supply voltage-Vcc=2.7 to 3.6V for program, erase and read; (2) access times: 70,90ns; (3) programming time: 10μs per byte/word typical; (4) 35 memory blocks; (5) erase suspend and resume modes; (6) unlock bypass program command; (7) common flash interface; (8) electronic signature.
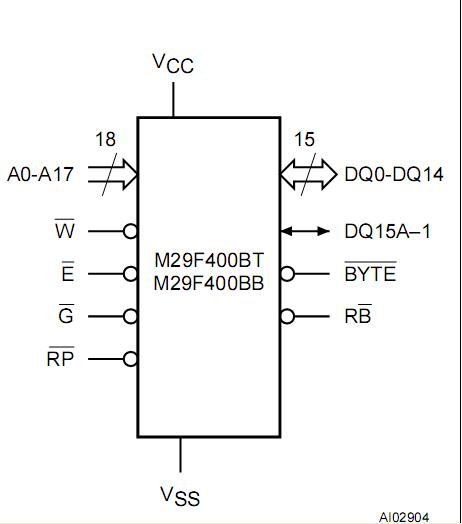
Diagrams

(China (Mainland))






