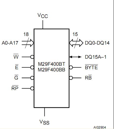
Product Summary
The m29f400bt-90n1 is a 4 Mbit (512Kb×8 or 256Kb×16) non-volatile memory that can be read, erased and reprogrammed. These operations of the m29f400bt-90n1 can be performed using a single 5V supply. The m29f400bt-90n1 is divided into blocks that can be erased independently so it is possible to preserve valid data while old data is erased.
Parametrics
m29f400bt-90n1 absolute maximum ratings: (1) Ambient Operating Temperature (Temperature Range Option 1) TA: 0 to 70°C; (2) Ambient Operating Temperature (Temperature Range Option 6) TA: -40 to 85°C; (3) Ambient Operating Temperature (Temperature Range Option 3) : -40 to 125°C; (4) Temperature Under Bias TBIAS: -50 to 125°C; (5) Storage Temperature TSTG: -65 to 150°C; (6) Input or Output Voltage VIO: -0.6 to 6V; (7) Supply Voltage Vcc: -0.6 to 6V; (8) Identification Voltage VID: -0.6 to 13.V.
Features
m29f400bt-90n1 features: (1) single 5V±10% supply voltage for program, erase and read operations; (2) access time: 45ns; (3) programming time: 8μs per byte/word typical; (4) 11 memory blocks; (5) program/erase controller; (6) low power consumption; (7) 20 years data retention; (8) electronic signature.
Diagrams

(China (Mainland))






