Product Summary
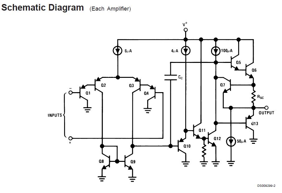
The LM324M is an independent, high gain, internally frequency compensated operational amplifier which is designed specifically to operate from a single power supply over a wide range of voltages. Operation from split power supplies is also possible and the low power supply current drain of LM324M is independent of the magnitude of the power supply voltage.
Parametrics
LM324M absolute maximum ratings: (1)Supply Voltage, V+: 32V; (2)Differential Input Voltage: 32V; (3)Input Voltage: -0.3V to +32V; (4)Input Current (VIN < -0.3V): 50 mA; (5)Power Dissipation: Molded DIP 1130 mW, Cavity DIP 1260 mW; (6)Small Outline Package: 800 mW; (7)Output Short-Circuit to GND (One Amplifier): V+ ≤ 15V and TA = 25℃ Continuous Continuous; (8)Operating Temperature Range: -40℃ to +85℃; (9)Storage Temperature Range: -65℃ to +150℃; (10)Lead Temperature (Soldering, 10 seconds): 260℃.
Features
LM324M features: (1)Internally frequency compensated for unity gain; (2)Large DC voltage gain 100 dB; (3)Wide bandwidth (unity gain) 1 MHz (temperature compensated); (4)Wide power supply range: Single supply 3V to 32V or dual supplies ±1.5V to ±16V; (5)Very low supply current drain (700 μA)—essentially independent of supply voltage; (6)Low input biasing current 45 nA (temperature compensated); (7)Low input offset voltage 2 mV and offset current: 5 nA; (8)Input common-mode voltage range includes ground; (9)Differential input voltage range equal to the power supply voltage; (10)Large output voltage swing 0V to V+ - 1.5V.
Diagrams

| Image | Part No | Mfg | Description | ![]() |
Pricing (USD) |
Quantity | ||||||||||||
|---|---|---|---|---|---|---|---|---|---|---|---|---|---|---|---|---|---|---|
![]() |
![]() LM324M |
![]() Fairchild Semiconductor |
![]() Operational Amplifiers - Op Amps Quad Operational Amp |
![]() Data Sheet |
![]()
|
|
||||||||||||
![]() |
![]() LM324M/NOPB |
![]() National Semiconductor (TI) |
![]() Operational Amplifiers - Op Amps LOW PWR QUAD OP AMP |
![]() Data Sheet |
![]()
|
|
||||||||||||
![]() |
![]() LM324MT/NOPB |
![]() National Semiconductor (TI) |
![]() Operational Amplifiers - Op Amps |
![]() Data Sheet |
![]()
|
|
||||||||||||
![]() |
![]() LM324MTX |
![]() National Semiconductor (TI) |
![]() Operational Amplifiers - Op Amps |
![]() Data Sheet |
![]()
|
|
||||||||||||
![]() |
![]() LM324MTX/NOPB |
![]() National Semiconductor (TI) |
![]() Operational Amplifiers - Op Amps |
![]() Data Sheet |
![]()
|
|
||||||||||||
![]() |
![]() LM324MX |
![]() Fairchild Semiconductor |
![]() Operational Amplifiers - Op Amps SOP-14 Quad Op Amp |
![]() Data Sheet |
![]()
|
|
||||||||||||
![]() |
![]() LM324MX/NOPB |
![]() National Semiconductor (TI) |
![]() Operational Amplifiers - Op Amps LOW PWR QUAD OP AMP |
![]() Data Sheet |
![]()
|
|
||||||||||||
![]() |
![]() LM324MT |
![]() National Semiconductor (TI) |
![]() Operational Amplifiers - Op Amps |
![]() Data Sheet |
![]()
|
|
||||||||||||
(China (Mainland))










