Product Summary
The LH28F016SUT-Z5 16M Flash Memory is a revolutionary architecture which enables the design of truly mobile, high performance, personal computing and communication products. With innovative capabilities, 5 V single voltage operation and very high read/write performance, the LH28F016SUT-Z5 is also the ideal choice for designing embedded mass storage memory systems.
Parametrics
LH28F016SUT-Z5 absolute maximum ratings: (1)Temperature under bias: 0°C to +80°C; (2)Storage temperature: -65°C to +125°C; (3)Operating Temperature, Commercial: 0 to 70 °C; (4)VCC with Respect to GND: -0.2 to 7.0 V; (5)Supply Voltage with Respect to GND: -0.2 to 7.0 V; (6)Voltage on any Pin (Except VCC, VPP)with Respect to GND: -0.5 VCC + 0.5 V; (7)Current into any Non-Supply Pin: ±30 mA; (8)Output Short Circuit Current: 100.0 mA.
Features
LH28F016SUT-Z5 features: (1)User-Configurable x8 or x16 Operation; (2)User-Selectable 3.3 V or 5 V VCC; (3)70 ns Maximum Access Time; (4)0.32 MB/sec Write Transfer Rate; (5)100,000 Erase Cycles per Block; (6)32 Independently Lockable Blocks; (7)5 V Write/Erase Operation (5 V VPP)– No Requirement for DC/DC Converter to Write/Erase; (8)Minimum 2.7 V Read capability– 160 ns Maximum Access Time(VCC = 2.7 V); (9)Revolutionary Architecture: Pipelined Command Execution, Write During Erase, Command Superset of Sharp LH28F008SA; (10)5 uA (Typ.)ICC in CMOS Standby; (11)1 uA (Typ.)Deep Power-Down; (12)State-of-the-Art 0.55 µm ETOX Flash Technology; (13)56-Pin, 1.2 mm × 14 mm × 20 mm; (14)TSOP (Type I)Package.
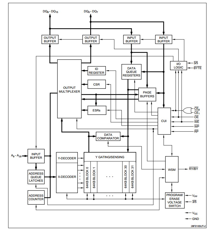
Diagrams

 (China (Mainland)) 
                         
                        
                                    




