Product Summary
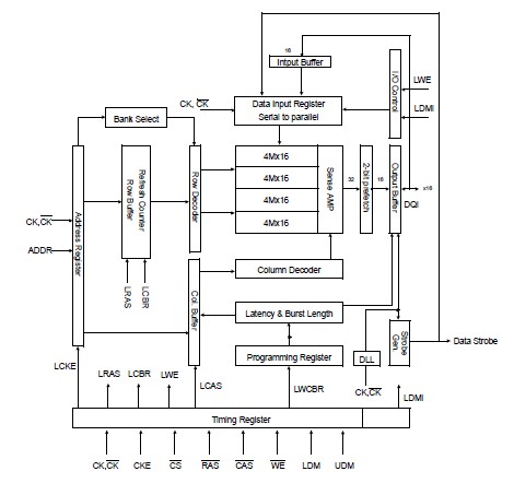
The K4D551638F-TC50 is a 268,435,456 bits of hyper synchronous data rate dynamic RAM. The K4D551638F-TC50 organized as 4 x 4,194,304 words by 16 bits, fabricated with SAMSUNG’s high performance CMOS technology. Synchronous features with Data Strobe allow extremely high performance up to 1.1GB/s/chip. I/O transactions are possible on both edges of the clock cycle. Range of operating frequencies, programmable burst length and programmable latencies allow the K4D551638F-TC50 to be useful for a variety of high performance memory system applications.
Parametrics
K4D551638F-TC50 absolute maximum ratings: (1)Voltage on any pin relative to Vss VIN, VOUT: -0.5 ~ 3.6 V; (2)Voltage on VDD supply relative to Vss VDD: -1.0 ~ 3.6 V; (3)Voltage on VDDQ supply relative to Vss VDDQ: -0.5 ~ 3.6 V; (4)Storage temperature TSTG: -55 ~ +150 °C; (5)Power dissipation PD: 2.0 W; (6)Short circuit current IOS: 50 mA.
Features
K4D551638F-TC50 features: (1)2.6V + 0.1V power supply for device operation; (2)2.6V + 0.1V power supply for I/O interface; (3)SSTL_2 compatible inputs/outputs; (4)4 banks operation; (5)MRS cycle with address key programs: Read latency 3 (clock);Burst length (2, 4 and 8);Burst type (sequential & interleave); (6)All inputs except data DM are sampled at the positive going edge of the system clock; (7)Differential clock input; (8)No Write-Interrupted by read function.
Diagrams

(China (Mainland))






