Product Summary
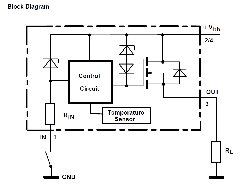
The ITS4140N is a smart high-side power switch for industrial applications one channel: 1 x 1Ω. The ITS4140N N channel vertical power MOSFET with charge pump and current controlled input, monolithically integrated in Smart SIPMOS?technology. The ITS4140N provides embedded protection functions.
Parametrics
ITS4140N absolute maximum ratings: (1)Supply voltage Vbb: 60 V; (2)Load current IL: self limited A; (3)Maximum current through the input pin (DC) IIN: ±15 mA; (4)Junction temperature Tj: +150℃; (5)Operating temperature range Ta: -30 to +85℃; (6)Storage temperature range Tstg: -40 to +105℃.
Features
ITS4140N features: (1)Current controlled input; (2)Short circuit protection; (3)Current limitation; (4)Overload protection; (5)Overvoltage protection (including load dump); (6)Switching inductive loads; (7)Clamp of negative voltage at output with inductive loads; (8)Thermal shutdown with restart; (9)ESD Protection; (10)Loss of GND and loss of Vbb protection; (11)Very low standby current; (12)Reverse battery protection.
Diagrams

| Image | Part No | Mfg | Description | ![]() |
Pricing (USD) |
Quantity | ||||||||||||
|---|---|---|---|---|---|---|---|---|---|---|---|---|---|---|---|---|---|---|
![]() |
![]() ITS4140N |
![]() Infineon Technologies |
![]() Power Switch ICs - Power Distribution Smart High Side 1x1000mOhm 9-60V |
![]() Data Sheet |
![]()
|
|
||||||||||||
| Image | Part No | Mfg | Description | ![]() |
Pricing (USD) |
Quantity | ||||||||||||
![]() |
![]() ITS41030R36-5PF2 |
![]() Glenair |
![]() Circular MIL / Spec Connectors CRIMP REAR PNL MNT SQ FLANGE REC |
![]() Data Sheet |
![]()
|
|
||||||||||||
![]() |
![]() ITS410E2 |
![]() Infineon Technologies |
![]() Power Switch ICs - Power Distribution SMART HI SIDE PWR SWITCH INDUSTRY APP |
![]() Data Sheet |
![]()
|
|
||||||||||||
![]() |
![]() ITS410E2 E3043 |
![]() Infineon Technologies |
![]() Power Switch ICs - Power Distribution Smart High-Side PWR SWITCH 65V 12A |
![]() Data Sheet |
![]()
|
|
||||||||||||
![]() |
![]() ITS4140N |
![]() Infineon Technologies |
![]() Power Switch ICs - Power Distribution Smart High Side 1x1000mOhm 9-60V |
![]() Data Sheet |
![]()
|
|
||||||||||||
![]() |
![]() ITS4141D |
![]() Infineon Technologies |
![]() Power Switch ICs - Power Distribution SMART HI SIDE SWITCH INDUSTRIAL APPS |
![]() Data Sheet |
![]()
|
|
||||||||||||
![]() |
![]() ITS4141N |
![]() Infineon Technologies |
![]() Power Switch ICs - Power Distribution SMART HI SIDE PWR SWITCH INDUSTRY APP |
![]() Data Sheet |
![]()
|
|
||||||||||||
(China (Mainland))










