Product Summary
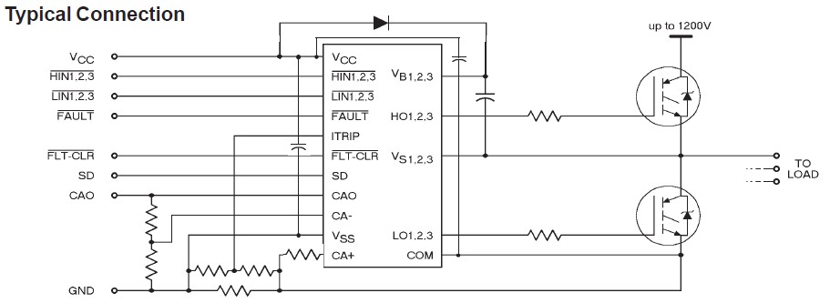
The IR2133J is a high voltage, high speed power MOSFET and IGBT driver with three independent high side and low side referenced output channels for 3-phase applications. Proprietary HVIC technology enables ruggedized monolithic construction. Logic inputs are compatible with CMOS or LSTTL outputs, down to 2.5V logic. An independent operational amplifier provides an analog feedback of bridge current via an external current sense resistor. A current trip function which terminates all six outputs can also be derived from this resistor. A shutdown function of the IR2133J is available to terminate all six outputs. An open drain FAULT signal is provided to indicate that an over-current or undervoltage shutdown has occurred. Fault conditions are cleared with the FLT-CLR lead. The IR2133J features a high pulse current buffer stage designed for minimum driver cross-conduction. Propagation delays are matched to simplify use in high frequency applications.
Parametrics
IR2133J absolute maximum ratings: (1)VB1,2,3 High side floating supply voltage (IR2133/IR2135): -0.3 to 625V; (2)(IR2233/IR2235): -0.3 to 1225V; (3)VS1,2,3 High side floating supply offset voltage: VB1,2,3 - 25 to VB1,2,3 + 0.3V; (4)VHO1,2,3 High side floating output voltage: VS1,2,3 - 0.3 to VB1,2,3 + 0.3V; (5)VCC Fixed supply voltage: -0.3 to 25V; (6)VSS Logic ground: VCC - 25 to VCC + 0.3V; (7)VLO1,2,3 Low side output voltage: -0.3 to VCC + 0.3V; (8)VIN Logic input voltage (HIN, LIN, ITRIP, SD & FLT-CLR): VSS - 0.3 to (VSS + 15)or (VCC + 0.3)whichever is lowerV; (9)VIN,AMP Op amp input voltage (CA+ & CA-): VSS - 0.3 to VCC + 0.3V; (10)VOUT,AMP Op amp output voltage (CAO): VSS - 0.3 to VCC + 0.3V; (11)VFLT FAULT output voltage: VSS - 0.3 to VCC + 0.3V; (12)dVS/dt Allowable offset supply voltage transient: 50V/ns; (13)TJ Junction temperature: 125℃; (14)TS Storage temperature: -55 150℃; (15)TL Lead temperature (soldering, 10 seconds: 300℃.
Features
IR2133J features: (1)Floating channel designed for bootstrap operation Fully operational to +600V or+1200V Tolerant to negative transient voltage dV/dt immune; (2)Gate drive supply range from 10V/12V to 20V DC and up to 25V for transient; (3)Undervoltage lockout for all channels; (4)Over-current shut down turns off all six drivers; (5)Independent 3 half-bridge drivers; (6)Matched propagation delay for all channels; (7)2.5V logic compatible; (8)Outputs out of phase with inputs; (9)Also available LEAD-FREE.
Diagrams

| Image | Part No | Mfg | Description | ![]() |
Pricing (USD) |
Quantity | ||||||||||||||
|---|---|---|---|---|---|---|---|---|---|---|---|---|---|---|---|---|---|---|---|---|
![]() |
![]() IR2133J |
![]() |
![]() IC DRIVER BRIDGE 3-PHASE 44-PLCC |
![]() Data Sheet |
![]() Negotiable |
|
||||||||||||||
![]() |
![]() IR2133JPbF |
![]() International Rectifier |
![]() Power Driver ICs |
![]() Data Sheet |
![]()
|
|
||||||||||||||
![]() |
![]() IR2133JTRPBF |
![]() International Rectifier |
![]() Power Driver ICs 3Phs Drvr Hi&Lw Sd Inpt 200ns Deadtime |
![]() Data Sheet |
![]()
|
|
||||||||||||||
![]() |
![]() IR2133JTR |
![]() |
![]() IC DRIVER BRIDGE 3-PHASE 44-PLCC |
![]() Data Sheet |
![]() Negotiable |
|
||||||||||||||
(China (Mainland))










