Product Summary
The HNC-40SY is a Current Transducer. The applications of the HNC-40SY include DC motor drives, Switched Mode Power Supplies (SMPS), AC variable speed drives, Uninterruptible Power Supplies (UPS), Battery supplied applications, Power supplies for welding applications.
Parametrics
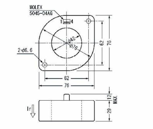
HNC-40SY absolute maximum ratings: (1)IPN Primary nominal current: 400A; (2)IP Primary current measuring range: 0 to ±800A; (3)R M Measuring resistance: 20W; (4)ISN Secondary nominal r.m.s. current: 100mA; (5)KN Conversion ratio 1: 4000; (6)VC Supply voltage (±5%): ±15V; (7)I C Current consumption: 20 ±ISN mA; (8)Vd R.m.s. voltage for AC isolation test, 50Hz, 1mn: 2kV.
Features
HNC-40SY features: (1)Hall effect measuring principle; (2)Panel mount type.
Diagrams

![]() |
![]() HNC-050P |
![]() Other |
![]() |
![]() Data Sheet |
![]() Negotiable |
|
||||
![]() |
![]() HNC-060P |
![]() Other |
![]() |
![]() Data Sheet |
![]() Negotiable |
|
||||
![]() |
![]() HNC-070P |
![]() Other |
![]() |
![]() Data Sheet |
![]() Negotiable |
|
||||
![]() |
![]() HNC-080P |
![]() Other |
![]() |
![]() Data Sheet |
![]() Negotiable |
|
||||
![]() |
![]() HNC-090P |
![]() Other |
![]() |
![]() Data Sheet |
![]() Negotiable |
|
||||
![]() |
![]() HNC-100P |
![]() Other |
![]() |
![]() Data Sheet |
![]() Negotiable |
|
||||
(China (Mainland))








