Product Summary
The GT15Q101 is a silicon N-channel IGBT.
Parametrics
GT15Q101 absolute maximum ratings: (1)Collector-Emitter Voltage : 1200 V; (2)Gate-Emitter Voltage : ±20 V; (3)Collector Current : 15A; (4)Collector Power Dissipation : 150 W; (5)Storage Temperature Range : -55-150 ℃.
Features
GT15Q101 features: (1)High Input Impedance; (2)High Speed : tf=0.5μs (Max.); (3)Low Saturation Voltage : VCE (sat) = 4.0V (Max.); (4)Enhancement-Mode.
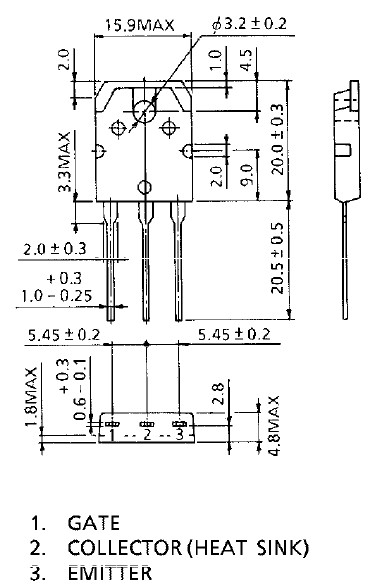
Diagrams

(China (Mainland))






