Product Summary
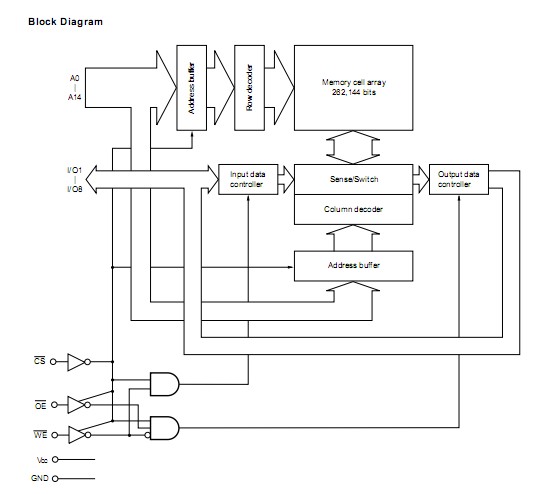
The D43256AC-12L is a high speed, low power, and 262, 144 bits (32,768 words by 8 bits) CMOS static RAM. Battery backup is available (L, LL, A, and B versions). And A and B versions are wide voltage operations. The D43256AC-12L is packed in 28-pin plastic DIP, 28-pin plastic SOP and 28-pin plastic TSOP.
Parametrics
D43256AC-12L absolute maximum ratings: (1)Supply voltage: –0.5 to +7.0 V; (2)Input/Output voltage: –0.5 to VCC + 0.5 V; (3)Operating ambient temperature: 0 to 70℃; (4)Storage temperature: –55 to +125℃.
Features
D43256AC-12L features: (1)32,768 words by 8 bits organization; (2)Fast access time: 70, 85, 100, 120, 150 ns (MAX.); (3)Wide voltage range (A version: VCC = 3.0 to 5.5 V, B version: VCC = 2.7 to 5.5 V); (4)2 V data retention; (5)OE input for easy application.
Diagrams

(China (Mainland))






