Product Summary
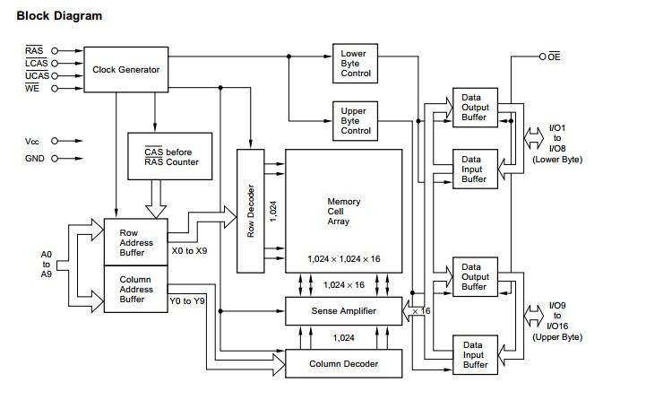
The D42S18165LG5-A60-7JF is a 1,048,576 words by 16 bits CMOS dynamic RAM with optional EDO. EDO is a kind of the page mode and is useful for the read operation. Besides, the D42S18165LG5-A60-7JF can execute CAS before RAS self refresh. The device is packaged in 50-pin plastic TSOP (II) and 42-pin plastic SOJ.
Parametrics
D42S18165LG5-A60-7JF absolute maximum ratings: (1)Voltage on any pin relative to GND: VT: –0.5 to +4.6 V; (2)Supply voltage: VCC: –0.5 to +4.6 V; (3)Output current: IO: 20 mA; (4)Power dissipation: PD: 1 W; (5)Operating ambient temperature: TA: 0 to +70°C; (6)Storage temperature: Tstg: –55 to +125°C.
Features
D42S18165LG5-A60-7JF features: (1)EDO (Hyper page mode); (2)1,048,576 words by 16 bits organization; (3)Single +3.3 V ±0.3 V power supply; (4)Fast access and cycle time.
Diagrams

(China (Mainland))






