Product Summary
The BU2508A is a silicon diffused power transistor. Enhanced performance, new generation, high-voltage, high-speed switching npn transistor in a plastic envelope intended for use in horizontal deflection circuits of colour television receivers. Features of the BU2508A exceptional tolerance to base drive and collector current load variations resulting in a very low worst case dissipation.
Parametrics
BU2508A absolute maximum ratings: (1)VCESM Collector-emitter voltage peak value VBE = 0 V: 1500 V; (2)VCEO Collector-emitter voltage (open base): 700 V; (3)IC Collector current (DC): 8 A; (4)ICM Collector current peak value: 15 A; (5)IB Base current (DC): 4 A; (6)IBM Base current peak value: 6 A; (7)-IB(AV)Reverse base current average over any 20 ms period: 100 mA; (8)-IBM Reverse base current peak value: 5 A; (9)Ptot Total power dissipation Tmb £ 25 ℃: 125 W; (10)Tstg Storage temperature: -65 to 150 ℃; (11)Tj Junction temperature: 150 ℃.
Features
BU2508A features: (1)ICES Collector cut-off current 2 VBE = 0 V; VCE = VCESMmax: 1.0 mA; (2)ICES VBE = 0 V; VCE = VCESMmax: 2.0 mA; (3)IEBO Emitter cut-off current VEB = 7.5 V; IC = 0 A: 1.0 mA; (4)BVEBO Emitter-base breakdown voltage IB = 1 mA: 7.5 to 13.5V; (5)VCEOsust Collector-emitter sustaining voltage IB = 0 A; IC = 100 mA: 700V; (6)VCEsat Collector-emitter saturation voltages IC = 4.5 A; IB = 1.1 A: 5.0 V; (7)VCEsat IC = 4.5 A; IB = 1.29 A: 1.0 V; (8)VBEsat Base-emitter saturation voltage IC = 4.5 A; IB = 1.7 A: 1.3 V.
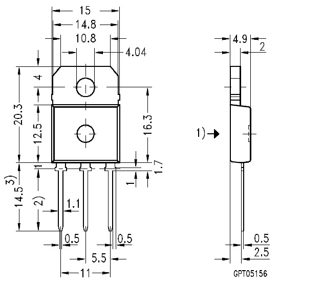
Diagrams
| Image | Part No | Mfg | Description | ![]() |
Pricing (USD) |
Quantity | ||||
|---|---|---|---|---|---|---|---|---|---|---|
![]() |
![]() BU2508A |
![]() Other |
![]() |
![]() Data Sheet |
![]() Negotiable |
|
||||
![]() |
![]() BU2508AF |
![]() Other |
![]() |
![]() Data Sheet |
![]() Negotiable |
|
||||
![]() |
![]() BU2508AW |
![]() Other |
![]() |
![]() Data Sheet |
![]() Negotiable |
|
||||
![]() |
![]() BU2508AX |
![]() Other |
![]() |
![]() Data Sheet |
![]() Negotiable |
|
||||
(China (Mainland))









