Product Summary
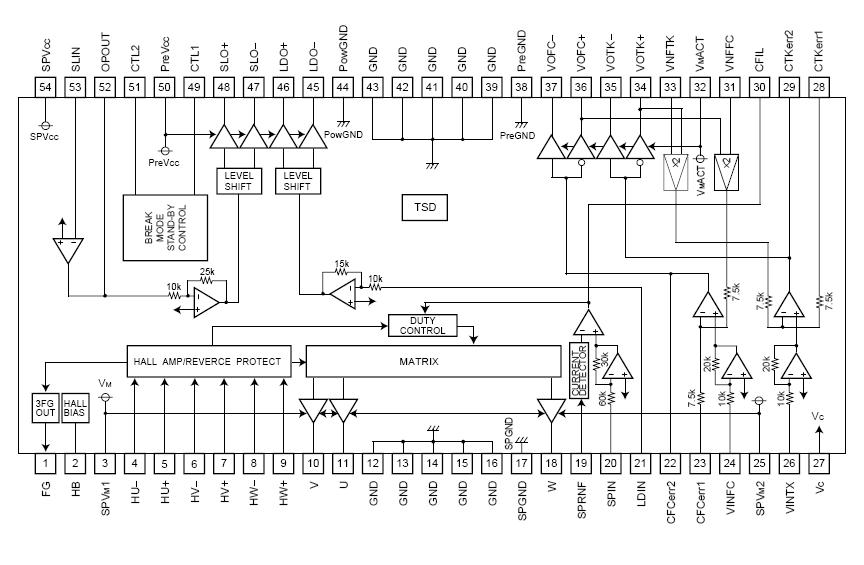
The BD7903FS is a 5-channel driver IC that integrates all drivers necessary for CD-ROM, and DVD-ROM systems into a single chip. Low noise and low vibration can be achieved by applying the 180°PWM driving system for spindle motor drivers. Current lag phase occurred by the load of the inductance can be reduced by using the current feedback linear BTL system to driver the actuator. The applications of the BD7903FS include CD-ROM, DVD-ROM.
Parametrics
BD7903FS absolute maximum ratings: (1)POWER MOS power supply voltage: 15V; (2)Pre-block/BTL power block power supply voltage: 15V; (3)Spindle control block power supply voltage: 7V; (4)Power dissipation: 2.6W; (5)Operating temperature range: -35℃ to +85℃; (6)Storage temperature: -55℃ to +150℃.
Features
BD7903FS features: (1)4channel BTL driver and 3phase motor driver; (2)ALL of the motor and actuator for CD-ROM, DVD-ROM etc; (3)These mode is able to be selected by the two control terminals; (4)ON/OFF of loading, and other 4channels, brake mode of spindle driver and standby mode; (5)Built-in triangular-wave generator; (6)Package SSOP-A54 has large power dissipation; (7)Built in thermal-shut-down circuit.
Diagrams

| Image | Part No | Mfg | Description | ![]() |
Pricing (USD) |
Quantity | ||||||
|---|---|---|---|---|---|---|---|---|---|---|---|---|
![]() |
![]() BD7903FS-E2 |
![]() |
![]() MOTOR DRIVER |
![]() Data Sheet |
![]()
|
|
||||||
| Image | Part No | Mfg | Description | ![]() |
Pricing (USD) |
Quantity | ||||||
![]() |
![]() BD7903FS-E2 |
![]() |
![]() MOTOR DRIVER |
![]() Data Sheet |
![]()
|
|
||||||
![]() |
![]() BD7931F-E2 |
![]() ROHM Semiconductor |
![]() Motor / Motion / Ignition Controllers & Drivers REVERSIBLE 0.5A |
![]() Data Sheet |
![]()
|
|
||||||
![]() |
![]() BD7954FS-E2 |
![]() |
![]() 7CH POWER DRIVER FOR CD-/DVD-R |
![]() Data Sheet |
![]()
|
|
||||||
![]() |
![]() BD7956FS-E2 |
![]() ROHM Semiconductor |
![]() Motor / Motion / Ignition Controllers & Drivers SYSTEM MOTOR DRIVER |
![]() Data Sheet |
![]() Negotiable |
|
||||||
![]() |
![]() BD7996EFV-E2 |
![]() ROHM Semiconductor |
![]() Motor / Motion / Ignition Controllers & Drivers MOTOR DRVR 5V 54PIN |
![]() Data Sheet |
![]()
|
|
||||||
![]() |
![]() BD7967EFS-E2 |
![]() ROHM Semiconductor |
![]() Motor / Motion / Ignition Controllers & Drivers POWER DRIVER 44-PIN |
![]() Data Sheet |
![]()
|
|
||||||
(China (Mainland))









