Product Summary
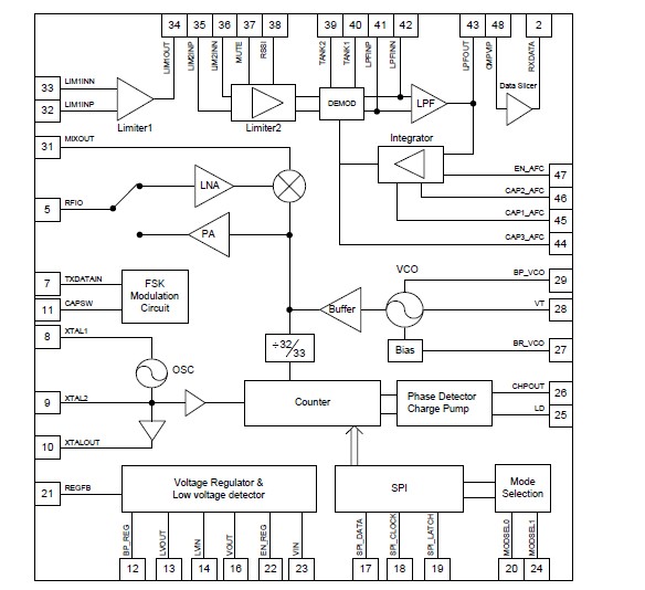
The A7101 is a monolithic CMOS integrated circuit intended for use as a low cost FSK transceiver in wireless applications. The A7101 is provided in 48-lead plastic QFN7X7 packaging and is designed to function as a complete FSK transceiver. The A7101 is intended for wireless applications in the 2.4GHz to 2.5GHz ISM band. The A7101 features a fully programmable frequency synthesizer with integrated VCO circuitry.
Parametrics
A7101 absolute maximum ratings: (1)Storage Temperature: -20 to 70 ℃; (2)Operating Temperature: 0 to 50 ℃; (3)Supply Voltage: 2.2 to 5 V; (4)Current Consumption Transceiver Circuit Active (RX Mode): 30 mA; (5)Current Consumption Transceiver Circuit Active (TX Mode @high power): 17 mA; (6)Current Consumption Transceiver Circuit Active (TX Mode @low power): 14 mA; (7)Current Consumption Transceiver Circuit Stand By Mode: 1.5 mA; (8)Current Consumption Transceiver Circuit Sleep Mode: 5 μA; (9)Current Consumption Embedded Regulator Active @VIN = 3.3V: 150 μA; (10)Embedded Regulator Stand By: 5 μA.
Features
A7101 features: (1)Wireless Mouse and Keyboard; (2)2.4GHz ISM Band Communication System; (3)Two way wireless Transceiver; (4)Wireless toy; (5)Wireless Modem.
Diagrams

![]() |
![]() A710 |
![]() |
![]() EARPHONE |
![]() Data Sheet |
![]()
|
|
||||||
(China (Mainland))








