Product Summary
The A1746 is a Silicon PNP Epitaxial Planar Transistor. The applications of the A1746 include Chopper Regulator, Switch and General Purpose.
Parametrics
A1746 absolute maximum ratings: (1)VCBO: -70V; (2)VCEO: -50V; (3)VEBO: -6V; (4)IC: –12(Pulse–20)A; (5)IB: -4A; (6)PC: 60(Tc=25℃); (7)Tj: 150℃; (8)Tstg: –55 to +150℃.
Features
A1746 features: (1)ICBO: -10max μA; (2)IEBO: -10max μA; (3)V(BR)CEO: -50min V; (4)VCE(sat): -0.5max V; (5)VBE(sat): -1.2max V; (6)fT: 25typ MHz; (7)COB: 400typ pF.
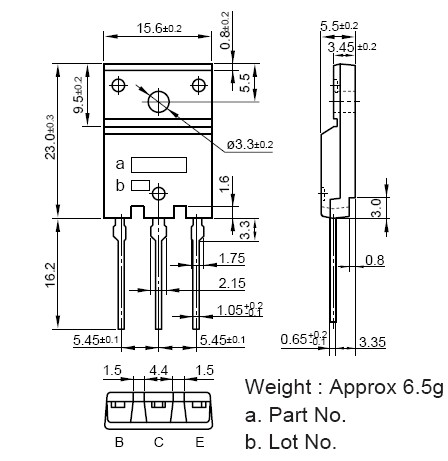
Diagrams

(China (Mainland))






