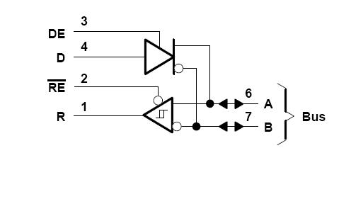
Product Summary
The 75176B is a differential bus transceiver. It is an integrated circuit designed for bidirectional data communication on multipoint bus transmission lines. The 75176B is designed for balanced transmission lines and meet ANSI Standards TIA/EIA-422-B and TIA/EIA-485-A and ITU Recommendations V.11 and X.27. The 75176B combines a 3-state differential line driver and a differential input line receiver, both of which operate from a single 5-V power supply. The driver and receiver have active-high and active-low enables, respectively, that can be connected together externally to function as a direction control. The driver differential outputs and the receiver differential inputs are connected internally to form differential input/output (I/O) bus ports that are designed to offer minimum loading to the bus when the driver is disabled or VCC = 0. These ports feature wide positive and negative common-mode voltage ranges, making the device suitable for party-line applications.
Parametrics
75176B absolute maximum ratings: (1)Supply voltage, VCC (see Note 1): 7 V; (2)Voltage range at any bus terminal: –10 V to 15 V; (3)Enable input voltage, VI: 5.5 V; (4)Package thermal impedance, θJA (see Notes 2 and 3): D package: 97℃/W; (5)P package: 85℃/W; (6)PS package: 95℃/W; (7)Operating virtual junction temperature, TJ: 150℃; (8)Lead temperature 1,6 mm (1/16 inch) from case for 10 seconds: 260℃; (9)Storage temperature range, Tstg : –65 to 150℃.
Features
75176B features: (1)Bidirectional Transceivers; (2)Meet or Exceed the Requirements of ANSI Standards TIA/EIA-422-B and TIA/EIA-485-A and ITU Recommendations V.11 and X.27; (3)Designed for Multipoint Transmission on Long Bus Lines in Noisy Environments; (4)3-State Driver and Receiver Outputs; (5)Individual Driver and Receiver Enables; (6)Wide Positive and Negative Input/Output Bus Voltage Ranges; (7)Driver Output Capability ±60 mA Max; (8)Thermal Shutdown Protection; (9)Driver Positive and Negative Current Limiting; (10)Receiver Input Impedance 12 kΩ Min; (11)Receiver Input Sensitivity ±200 mV; (12)Receiver Input Hysteresis . . . 50 mV Typ; (13)Operate From Single 5V Supply.
Diagrams

(China (Mainland))






