Product Summary
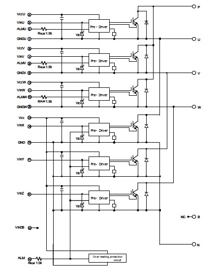
The 6MBP50RS120 is a IGBT IPM.
Parametrics
6MBP50RS120 absolute maximum ratings: A1442 absolute maximum ratings: (1)Bus voltage DC VDC: 900V; (2)Bus voltage Surge VDC: 1000V; (3)Bus voltage Short operating VSC: 200 to 800V; (4)Collector-Emitter voltage VCE: 1200V; (5)Collector current DC IC: 50A; (6)Collector current 1ms ICP: 100A; (7)Collector current Duty=98.0%-IC: 50A; (8)Collector power dissipation One transistor PC: 357W; (9)Supply voltage of Pre-Driver VCC: -0.5 to 20V; (10)Input signal voltage VIN: -0.5 to Vcc+0.5 V; (11)Input signal current LIN: 3mA; (12)Alarm signal voltage VALM: -0.5 to Vcc V; (13)Alarm signal current IALM: 20mA; (14)Junction temperature Tj: 150℃; (15)Operating case temperature topr: -20 to 100℃; (16)Storage temperature Tstg: -40 to 125℃.
Features
6MBP50RS120 features: (1)Temperature protection provided by directly detecting the junction temperature of the IGBTs; (2)Low power loss and soft switching; (3)High performance and high reliability IGBT with overheating protection; (4)Both P-side and N-side alarm output available; (5)Higher reliability because of a big decrease in number of parts in built-in control circuit.
Diagrams

![]() |
![]() 6MBP 150RA-060 |
![]() Other |
![]() |
![]() Data Sheet |
![]() Negotiable |
|
||||
![]() |
![]() 6MBP 15RH-060 |
![]() Other |
![]() |
![]() Data Sheet |
![]() Negotiable |
|
||||
![]() |
![]() 6MBP 75RA-120 |
![]() Other |
![]() |
![]() Data Sheet |
![]() Negotiable |
|
||||
![]() |
![]() 6MBP100RTA-060 |
![]() Other |
![]() |
![]() Data Sheet |
![]() Negotiable |
|
||||
![]() |
![]() 6MBP100RTB060 |
![]() Other |
![]() |
![]() Data Sheet |
![]() Negotiable |
|
||||
![]() |
![]() 6MBP150RA120 |
![]() Other |
![]() |
![]() Data Sheet |
![]() Negotiable |
|
||||
(China (Mainland))








